Генератор волны комбинации испытательного оборудования 10/700μs IEC61000-4-5 EMC для теста невосприимчивости пульсации
1. Введение:
Генератор пульсации волны комбинации LSG-6K20 совершенно конструирован согласно IEC61000-4-5 и GB/T17626.5. Генератор волны комбинации 10/700μs использован для того чтобы испытать запланированные порты для соединения с симметричными линиями связи. Он широко использован в полях аппаратуры регулирования индустрии, дом-держа прибор, медицинскую электронику, электронику связей, компоненты, автоматическую аппаратуру регулирования и etc.
Генератор грозового перенапряжения сымитировать напряжение тока пульсации причиненное переходным процессом переключения и переходный процесс молнии, тест пульсации узнать влияние напряжения тока пульсации к EUT в нормальных условиях труда.
Генератор грозового перенапряжения может производит оба 10/700μs, волну комбинации 5/320μs. Напряжение тока теста до 6KV, потребителя может выбрать и определить уровни теста, встроенную сеть с емкостью 50V/0.1A (DC). Параметры формы волны напряжения тока открыт-цепи и формы волны короткого замыкания настоящей строго соотвествовать стандартные IEC61000-4-5 и IEC60061-1.
2. Особенности:
1). 7 LCD дюймов экрана касания, с обильными функциями, легкими к деятельности и уточнить программное обеспечение.
2). Потребитель может конструировать тестовую программу, и имеет памяти 1000 групп.
3). Коммуникационная сеть проводов разъема 4 симметричная, 2 в 1 дизайне.
контролируемое программ высоковольтное электропитание 4).Intelligent с встроенным предохранением от перенапряжения, перегрузок по току и короткого замыкания.
5). Добавьте внешнюю сеть для больше форм теста линии связи и сигнальной линии или пульсации
6). Умный судья анормалное высокого напряжения и выхода пульсации.
3. Параметр
| Конденсатор хранения | 20μF ±10% |
| Напряжение тока выхода открытой цепи | 0.2-6kV ±5% |
| Переднее время | 10μs ±30% |
| Время к полуценному | 700μs ±20% |
| Течение выхода короткого замыкания | Макс 150A ±5% (импеданс 40Ω) |
| Переднее время | 5μs ±30% |
| Время к полуценному | 320μs ±20% |
| Полярность выхода | Положительный, отрицательный, положительный/недостаток автоматически |
| Импеданс выхода | 15Ω ±10%, 40Ω ±10% |
| Режим пуска | Автоматический или ручной, одиночный |
| Количество пульсаций | 1-99 раз |
| Programmable тестовая программа | Встроенные стандарты IEC и потребител-определить, с памятями 1000 групп |
| Интервал пульсации | 20-9999s |
| Встроенная пропускная способность сети | DC50V, 0.1A |
| Режим соединения сети | L-N (T1+R1+T2+R2-GND) |
| Устройство сцепления сети | Каждая линия нагнетательная труба газа 100Ω+90V |
| Рабочая Среда | Температура: Относительная влажность 15°C-35°C: 10%-75% |
| Электропитание | AC220±10%, 50/60Hz, 300W |
| Размер | 470mm×260mm×500mm (W*H*D) |
| Вес | О 30kg |
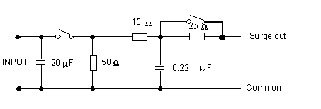
4. генератор и форма волны
1). часть 10/700us и 5/320us схемы эквивалентности формы волны пульсации

2. форма волны напряжения тока Открыт-цепи
Переднее время: T1 =1.67T=10us±30%
Время к полуценному: T2 =700us±20%

3). Форма волны короткого замыкания настоящая
Переднее время: T1 =1.25T=5us±20%
Время к полуценному: T2 =320ms±20%

5. вопросы и ответы
1). Что период гарантии оборудования?
Ответ: гарантия оборудования 12 месяца на вас получение оборудования
2). Можете вы обеспечить поверочный сертификат трех-лаборатории?
Ответ: Да, оборудование может отправить в трех-лаборатории утвержденные ISO17025 и получить поверочный сертификат, но покупатель должен предпринять обязанности.
3). Делает это оборудование имеет английскую деятельность интерфейс?
Ответ: конечно, да, интерфейс деятельности имеет английскую инструкцию.
4). Ваша штепсельная вилка нельзя использовать в нашей стране, можете вас изменить его для нас?
Ответ: да, мы изменим штепсельную вилку для приспособления ваших требований, пожалуйста subbmit этот вопрос когда вы сделаете заказ.