Система камеры ночного видения двойного трутня автоматическая отслеживая PTZ датчика электрооптического термальная
Трутня датчика TS01CT-N система двойного электрооптического автоматическая отслеживая термальная, популярная отображая камера, поддерживает обнаружение и recognization видимых и инфракрасн. Вес 950g, может быть используемыми различными доменами.
Функции
1. Обеспечьте изображение инфракрасн для зоны обнаружения
2. Функция стабилизации оси высокой точности визуальная
3. С возможностью обнаружения и опознавания для земной цели
4. Поиск поддержки, отслеживать, замок, направлять, пути деятельности etc
5. С верхним слоем характера, функции таможни и дисплея;
6. С само- функцией проверки и диагноза недостатка
7. позиция цели поддержки
Спецификации
| Датчик EO | Длина волны | 0.4μm~0.9μm | |||
| Разрешение | 1920x1080 | ||||
| Фокусное расстояние | 4.3mm~129mm (30X) | ||||
| FOV | 63.7°~2.3° | ||||
| Выходной видеосигнал | HD-SDI (1080P 30Hz) | ||||
| Расстояние | ЛЮДИ: Обнаружение 6km; КОРАБЛЬ опознавания 2km: Обнаружение 15km; Опознавание 8km | ||||
| Датчик инфракрасн | Длина волны | 8μm~14μm | |||
| Разрешение | 640x512 | ||||
| Фокусное расстояние | 25mm/F1.0 | ||||
| FOV | 17.4°~14° | ||||
| Выходной видеосигнал | HD-SDI (1080P 30Hz) | ||||
| Расстояние | ЛЮДИ: Обнаружение 0.7km; КОРАБЛЬ опознавания 0.2km: Обнаружение 4.2km; Опознавание 1km | ||||
| Система сервопривода | Вращая пределы | 360º непрерывный лоток, тангаж: º -110° ~+10 | ||||
| Угловая точность: | ≤2mrad | |||||
| Точность Stablization | качание ≤100μrad (1σ) (2°/Hz, 1°/Hz) | |||||
| Скорость Max.angular | ≥50°/s | |||||
| Максимальное угловое ускорение: | ≥90°/S | |||||
| Отслеживать функции | Скорость движения: | 30pixel/frame | ||||
| Цель отображая контраст: | 8% | |||||
| Пиксел воображения цели (мини) | пикселы 4x3 | |||||
| Поддержка | Анти- - окклюзия без потери функции | |||||
| Интерфейс | Сообщение интерфейс |
RS422 x1 (TTL опционный) | |||
| Выходной видеосигнал | Локальные сети | ||||
Изображение





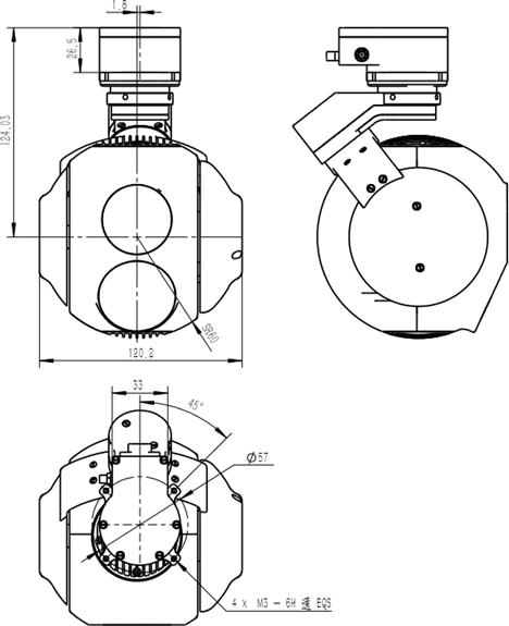
Механический чертеж

Направление компании
CO. технологии Чэнду HONPHO, Ltd. было установлено в марте 2018. Национальное высокотехнологичное предприятие фокусируя на НИОКР, умном производстве и обслуживании лидирующей светоэлектрической системы. Продукт HONPHO главный сферически светоэлектрические системы полезной нагрузки, эта полезная нагрузка дико раскрытая в UAV, беспилотные корабли, umanned корабль, вертолет и низкоскоростное неподвижное крыло aricrafy. особенно для UAV рекогносцировки и забастовки и вооруженного вертолета. HONPHO имеет почти 5 000 квадратных метров космоса для того чтобы отвечать потребностямы НИОКР, продукции, деятельности и офиса. Больше чем 100 работников, включают 2 национальных старших специалистов, 3 докторов, 21 мастера, 10 технических экспертов со старшими названиями и 4researchers присоединенные к HONPHO. HONPHO выиграло больше чем 10 призов прогресса науки и техники соотечественника и обороны страны, и имеет над 20 правами интеллектуальной собственности. Мы совершены к построению HONPHO в предприятие мир-известной светоэлектрической системы высокотехнологичное

Механический чертеж

Сертификат HONPHO
