Долгосрочные Electro оптически ультракрасные системы
Системы Electro ряда TS01DTLong оптически ультракрасные, с камерой и 35mm starnight 30X видимой uncooled длиной колебать ультракрасный модуль. расстояние над 8km, расстояние обнаружения visibel обнаружения инфракрасн сверх точность дальномера лазера 1.5km 3km выстраивая в ряд ±3m. 3axis стабилизация accuracy≤200μrad качания (2°/Hz, 1°/Hz) (1σ), оно с карданным подвесом 3 осей высокоточным который имеет преимущества лучшего тепловыделения снабжения жилищем алюминиевого сплава, противоинтерференционных и лучших. Он широко использовал в индустриях UAV долгосрочного осмотра, наблюдения, поиска и спасения и других промышленных применений.
Функции
1. Обеспечьте ультракрасные видео и изображение для зоны обнаружения
2. Функция стабилизации оси высокой точности визуальная
3. С возможностью обнаружения и опознавания для земной цели
4. Поиск поддержки, отслеживать, замок, направлять, пути деятельности etc
5. С верхним слоем характера, функции таможни и дисплея;
6. С само- функцией проверки и диагноза недостатка
7. позиция цели поддержки и выстраивать в ряд лазера
8. диагноз Само-осмотра и недостатка
Спецификации
| Датчик EO | Длина волны | 0.4μm~0.9μm | |||
| Разрешение | 1920x1080 | ||||
| Фокусное расстояние | 4.3mm~129mm (30X) | ||||
| FOV | 63.7°~2.3° | ||||
| Выходной видеосигнал | HD-SDI (1080P 30Hz) | ||||
| Расстояние | ЛЮДИ: Обнаружение 6km; КОРАБЛЬ опознавания 2km: Обнаружение 15km; Опознавание 8km | ||||
| Датчик инфракрасн | Тип инфракрасн | (ООН-охлаженное) LWIR |
| Длина волны | 8~14μm | |
| Разрешение | 640x512 | |
| Пиксел | 12um | |
| NETD | 50mk | |
| Длина фокуса | 25mm/F1.0 | |
| FOV | 17.4º×14º | |
| Расстояние | ЛЮДИ: Обнаружение 0.7km; Опознавание 0.22km КОРАБЛЬ: Обнаружение 4.2km; Опознавание 1km |
| Дальномер лазера | Длина волны | 905nm/1535nm |
| Представление | ||
| Выстраивая в ряд расстояние | 1.5km (3km опционное) | |
| Выстраивая в ряд точность | ±3 |
| Система сервопривода | Вращая пределы | 360º непрерывный лоток, тангаж: º -110° ~+10 | ||||
| Угловая точность: | ≤2mrad | |||||
| Точность Stablization | качание ≤200μrad (1σ) (2°/Hz, 1°/Hz) | |||||
| Скорость Max.angular | ≥50°/s | |||||
| Максимальное угловое ускорение: | ≥90°/S | |||||
| Отслеживать функции | Скорость движения: | 30pixel/frame | ||||
| Цель отображая контраст: | 8% | |||||
| Пиксел воображения цели (мини) | пикселы 4x3 | |||||
| Поддержка | Анти- - окклюзия без потери функции | |||||
| Интерфейс | Сообщение интерфейс |
RS422 x2 (TTL опционный) | |||
| Выходной видеосигнал | HD-SDI x1 | ||||
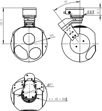
Изображение



Механический чертеж

Направление компании
CO. технологии Чэнду HONPHO, Ltd. было установлено в марте 2018. Национальное высокотехнологичное предприятие фокусируя на НИОКР, умном производстве и обслуживании лидирующей светоэлектрической системы. Продукт HONPHO главный сферически светоэлектрические системы полезной нагрузки, эта полезная нагрузка дико раскрытая в UAV, беспилотные корабли, umanned корабль, вертолет и низкоскоростное неподвижное крыло aricrafy. особенно для UAV рекогносцировки и забастовки и вооруженного вертолета. HONPHO имеет почти 5 000 квадратных метров космоса для того чтобы отвечать потребностямы НИОКР, продукции, деятельности и офиса. Больше чем 100 работников, включают 2 национальных старших специалистов, 3 докторов, 21 мастера, 10 технических экспертов со старшими названиями и 4researchers присоединенные к HONPHO. HONPHO выиграло больше чем 10 призов прогресса науки и техники соотечественника и обороны страны, и имеет над 20 правами интеллектуальной собственности. Мы совершены к построению HONPHO в предприятие мир-известной светоэлектрической системы высокотехнологичное

Сертификат HONPHO
