15 километров дальности обнаружения В воздухе ISP Gimble полезная нагрузка для БПЛА
TS120B-01 представляет собой небольшой и легкий ISR-гимбл.
Функции
1. Предоставьте видимые видео и изображение для области обнаружения
2. высокоточная функция стабилизации визуальной оси
3С возможностью обнаружения и распознавания наземных целей
4Поддержка поиска, отслеживания, блокировки, руководства и т.д.
5. С наложением символов, пользовательскими и дисплейными функциями;
6С функцией самопроверки и диагностики ошибок
Спецификации
| Сенсор EO | Длина волны | 00,4 мкм ≈ 0,9 мкм | |||
| Резолюция | 1920х1080 | ||||
| Фокусное расстояние | 4.3мм129мм(30х) | ||||
| ПОВ | 630,7° ≈ 2,3° | ||||
| Выход видео | HD-SDI ((1080P 30Hz) | ||||
| Расстояние | ПОЛОЖЕНИЕ: обнаружение 6 км; распознавание 2 км транспортное средство: обнаружение 15 км; распознавание 8 км | ||||
| Лазерный дальномер | Длина волны | 905nm |
| Производительность | 3 м~1 км ((3 км необязательно) | |
| Дистанция действия | 3 ~ 1000 м | |
| Точность в диапазоне | ±3 |
| Сервосистема | Ограничения вращения | 360o непрерывный Pan, наклон: -110° ~+10o | ||||
| Угловая точность: | ≤ 2 мrad | |||||
| Точность стабилизации | ≤ 100μrad ((1σ) ((2°/Hz,1°/Hz Swing) | |||||
| Максимальная угловая скорость | ≥ 50°/с | |||||
| Максимальное угловое ускорение: | ≥ 90°/S | |||||
| Функции отслеживания | Скорость движения: | 30 пикселей/кадр | ||||
| Контраст визуализации цели: | 8% | |||||
| Пиксель визуализации цели ((Mini) | 4х3 пикселя | |||||
| Поддержка | Противоосключение без потери функции | |||||
| Интерфейс | Коммуникация интерфейс |
RS422 x1 | |||
| Выход видео | HD-SDI x1 | ||||
Снимок



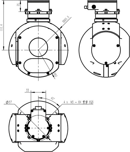
Механический чертеж

Профиль компании
Chengdu HONPHO Technology Co., Ltd.. была основана в марте 2018 года. Это национальное высокотехнологичное предприятие, ориентированное на исследования и разработки, интеллектуальное производство и обслуживание высокотехнологичной фотоэлектрической системы.Основной продукт HONPHO - сферические фотоэлектрические системы полезной нагрузкиЭтот груз широко используется в БПЛА, беспилотных судах, пилотируемых транспортных средствах, вертолетах и малоскоростных летательных аппаратах с фиксированным крылом, особенно для разведки и ударов БПЛА и вооруженных вертолетов.У HONPHO почти 5Более 100 сотрудников, включая 2 национальных старших экспертов, 3 врача, 21 мастера,В HONPHO присоединились 10 технических экспертов с высшими званиями и 4 исследователя. HONPHO выиграла более 10 премий национального и национального оборонного науки и технологического прогресса, и имеет более 20 прав на интеллектуальную собственность.Мы стремимся превратить HONPHO в всемирно известное высокотехнологичное предприятие фотоэлектрической системы.

Сертификат HONPHO
