2 оси 2кг версия электрооптическая система наблюдения БПЛА камера Gimbal
Являясь сетевой версией гиростабилизированной электрооптической системы отслеживания, TS170C-03 имеет 1 канал RS422 и 1 канал 100mb эфирного видео выхода, встроенный в 30X EO датчик,с разрешением 640x512 LWIR без охлаждения и лазерным дальномером 4 кмСервомотор с непрерывным вращением 360°, общая масса около 2,4 кг.
Функции
1. Предоставьте инфракрасное видео и изображение для области обнаружения
2. высокоточная стабилизация зрительной оси
3С возможностью обнаружения и распознавания наземных целей
4Поддержка поиска, отслеживания, блокировки, руководства и т.д.
5. С наложением символов, настройки и отображения
6С самопроверкой и диагностикой ошибок
7Поддерживать позицию цели и лазерный диапазон.
8Самопроверка идиагностика ошибки
Спецификации
| Сенсор EO | Длина волны | 00,4 мкм ≈ 0,9 мкм | |||
| Резолюция | 1920х1080 | ||||
| Фокусное расстояние | 4.3мм129мм(30х) | ||||
| ПОВ | 630,7° ≈ 2,3° | ||||
| Выход видео | HD-SDI ((1080P 30Hz) | ||||
| Расстояние | ПОЛОЖЕНИЕ: обнаружение 6 км; распознавание 2 км транспортное средство: обнаружение 15 км; распознавание 8 км | ||||
| ИК-датчик | IR тип | LWIR ((неохлажденный) |
| Длина волны | 8 ‰ 14 мкм | |
| Резолюция | 640х512 | |
| Пиксели | 12мм | |
| NETD | 40 мк | |
| Длина фокусировки | 60 мм/F1.0 | |
| ПОВ | 60,9х5,5 | |
| Расстояние | Люди: обнаружение 1,8 км; распознавание 0,4 км ДЕКТИВАЮЩИЙ ВАЗ: 10 км; 2,5 км. |
| Лазерный дальномер | Длина волны | 1535 нм |
| Производительность | ||
| Дистанция действия | 4 км | |
| Точность в диапазоне | ±3 |
| Сервосистема | Ограничения вращения | 360o непрерывный Pan, наклон: -110° ~+10o | ||||
| Угловая точность: | ≤ 2 мrad | |||||
| Точность стабилизации | ≤ 100μrad ((1σ) ((2°/Hz,1°/Hz Swing) | |||||
| Максимальная угловая скорость | ≥ 50°/с | |||||
| Максимальное угловое ускорение: | ≥ 90°/S | |||||
| Функции отслеживания | Скорость движения: | 30 пикселей/кадр | ||||
| Контраст визуализации цели: | 8% | |||||
| Пиксель визуализации цели ((Mini) | 4х3 пикселя | |||||
| Поддержка | Противоосключение без потери функции | |||||
| Интерфейс | Коммуникация интерфейс |
RS422 x2 ((TTL необязательно) | |||
| Выход видео | Выход Ethernet 100 Мб | ||||
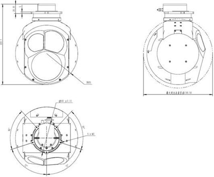
Механический чертеж

Предупреждения
1)Не прикасайтесь к окну детектора руками или другими предметами
2)Не подключайте или вынимать разъем без отключения питания
3)Подключение источников питания и сигналов в соответствии с определением интерфейса для предотвращения повреждения устройства
4)Не демонтируйте оборудование.Если есть какая-либо неисправность, пожалуйста, свяжитесь с HONPHO для профессионального обслуживания.

Сертификат HONPHO
