Линия дроссельный контур EMI YB41D4-10A Ac Emi Rfi для электронных оборудований
Технические данные:
| Деталь | Фильтр линии электропередач |
| Модель | Фильтр линии электропередач YB-D |
| Передающая функция | Низкопроходный |
| Тип пакета | Поверхностный держатель |
| Номинальная разбивочная частота | 10K-30MHZ |
| Вносимая потеря | 60~90dB |
| Входное комплексное сопротивление | 50Ω |
| Расклассифицированное напряжение тока | 115V/250V |
| Расклассифицированное течение | 1~50A |
| Экологическая температура | 40°C |
| Диапазон температур | 25 / 085/21 |
| Равочая частота | 50/60HZ |
| Линия - - линия | 1450VDC |
| Линия, который нужно смолоть | 2250VDC |
| Максимальное течение утечки | 250VAC/60HZ 0.8mA Макс |
| MOQ | 50pcs |
| Цена | USD1.65~10.8/Meter |
| Время выполнения | будний день 5~15 |
Особенности:
-- Конструированный 2 фильтровать увеличенный этапами для предотвращения электропитания может произвести взаимодействие к прибору
-- Различные терминальные варианты позволяют вам выбрать
-- Разнообразие части и комбинации для встречи тестов EMC различного клиента.
-- Подгонянные продукты согласно требованиям к клиента.
Типичные применения:
-- Электрический и радиотехническая аппаратура
-- Медицинское оборудование
-- Строя автоматизация
-- Оборудование автоматизации работы офиса и datacom
Правило выставления:
YB 24 E4 - 10A - Q (5)
| | | | | |
случай цепи настоящее соединение опционное
Приводит:
| Модель нет. | Расклассифицированное течение @40°C |
Терминал Options* | Утечка настоящее 250V/50Hz | Электрическая схема | Расклассифицированное напряжение тока (v) | Равочая частота (Hz) | ||||||||||||||||||||||||||||||
| YB41D3-1A | 1A | Q | S | W |
<0> |
Fig.1 |
115/250V |
50/60Hz |
||||||||||||||||||||||||||||
| YB41D3-2A | 2A | Q | S | W | Fig.1 | |||||||||||||||||||||||||||||||
| YB41D3-3A | 3A | Q | S | W | Fig.1 | |||||||||||||||||||||||||||||||
| YB41D3-4A | 4A | Q | S | W | Fig.1 | |||||||||||||||||||||||||||||||
| YB41D3-6A | 6A | Q | S | W | Fig.1 | |||||||||||||||||||||||||||||||
| YB41D3-8A | 8A | Q | S | W | Fig.1 | |||||||||||||||||||||||||||||||
| YB41D3-10A | 10A | Q | S | W | Fig.1 | |||||||||||||||||||||||||||||||
| YB41D4-1A | 1A | Q | S | W | Fig.1 | |||||||||||||||||||||||||||||||
| YB41D4-2A | 2A | Q | S | - | Fig.1 | |||||||||||||||||||||||||||||||
| YB41D4-3A | 3A | Q | S | - | Fig.1 | |||||||||||||||||||||||||||||||
| YB41D4-4A | 4A | Q | S | - | Fig.1 | |||||||||||||||||||||||||||||||
| YB41D4-6A | 6A | Q | S | - | Fig.1 | |||||||||||||||||||||||||||||||
| YB41D4-8A | 8A | Q | S | - | Fig.1 | |||||||||||||||||||||||||||||||
| YB41D4-10A | 10A | Q | S | - | Fig.1 | |||||||||||||||||||||||||||||||
| YB42D3-1A | 1A | Q | S | W | Fig.3 | |||||||||||||||||||||||||||||||
| YB42D3-2A | 2A | Q | S | W | Fig.3 | |||||||||||||||||||||||||||||||
| YB42D3-3A | 3A | Q | S | W | Fig.3 | |||||||||||||||||||||||||||||||
| YB42D3-4A | 4A | Q | S | W | Fig.3 | |||||||||||||||||||||||||||||||
| YB42D3-6A | 6A | Q | S | W | Fig.3 | |||||||||||||||||||||||||||||||
| YB42D3-8A | 8A | Q | S | W | Fig.3 | |||||||||||||||||||||||||||||||
| YB42D3-10A | 10A | Q | S | W | Fig.3 | |||||||||||||||||||||||||||||||
| YB42D4-1A | 1A | Q | S | W | Fig.3 | |||||||||||||||||||||||||||||||
| YB42D4-2A | 2A | Q | S | - | Fig.3 | |||||||||||||||||||||||||||||||
| YB42D4-3A | 3A | Q | S | - | Fig.3 | |||||||||||||||||||||||||||||||
| YB42D4-4A | 4A | Q | S | - | Fig.3 | |||||||||||||||||||||||||||||||
| YB42D4-6A | 6A | Q | S | - | Fig.3 | |||||||||||||||||||||||||||||||
| YB42D4-8A | 8A | Q | S | - | Fig.3 | |||||||||||||||||||||||||||||||
| YB42D4-10A | 10A | Q | S | - | Fig.3 | |||||||||||||||||||||||||||||||
Медицинский тип приводит:
| Модель нет. | Расклассифицированное течение @40°C |
Терминальные варианты | Медицинское оборудование 5 |
Утечка настоящее 250V/50Hz | Электрическая схема | Расклассифицированное напряжение тока (v) | Равочая частота (Hz) | ||||||||||||||||||||||||||||||||
| YB41D3-1A-x (5) | 1A | Q | S | W | 5 |
<5> |
Fig.2 |
115/250V |
50/60Hz |
||||||||||||||||||||||||||||||
| YB41D3-2A-x (5) | 2A | Q | S | W | 5 | Fig.2 | |||||||||||||||||||||||||||||||||
| YB41D3-3A-x (5) | 3A | Q | S | W | 5 | Fig.2 | |||||||||||||||||||||||||||||||||
| YB41D3-4A-x (5) | 4A | Q | S | W | 5 | Fig.2 | |||||||||||||||||||||||||||||||||
| YB41D3-6A-x (5) | 6A | Q | S | W | 5 | Fig.2 | |||||||||||||||||||||||||||||||||
| YB41D3-8A-x (5) | 8A | Q | S | W | 5 | Fig.2 | |||||||||||||||||||||||||||||||||
| YB41D3-10A-x (5) | 10A | Q | S | W | 5 | Fig.2 | |||||||||||||||||||||||||||||||||
| YB41D4-1A-x (5) | 1A | Q | S | W | 5 | Fig.2 | |||||||||||||||||||||||||||||||||
| YB41D4-2A-x (5) | 2A | Q | S | - | 5 | Fig.2 | |||||||||||||||||||||||||||||||||
| YB41D4-3A-x (5) | 3A | Q | S | - | 5 | Fig.2 | |||||||||||||||||||||||||||||||||
| YB41D4-4A-x (5) | 4A | Q | S | - | 5 | Fig.2 | |||||||||||||||||||||||||||||||||
| YB41D4-6A-x (5) | 6A | Q | S | - | 5 | Fig.2 | |||||||||||||||||||||||||||||||||
| YB41D4-8A-x (5) | 8A | Q | S | - | 5 | Fig.2 | |||||||||||||||||||||||||||||||||
| YB42D3-1A-x (5) | 1A | Q | S | W | 5 | Fig.4 | |||||||||||||||||||||||||||||||||
| YB42D3-2A-x (5) | 2A | Q | S | W | 5 | Fig.4 | |||||||||||||||||||||||||||||||||
| YB42D3-3A-x (5) | 3A | Q | S | W | 5 | Fig.4 | |||||||||||||||||||||||||||||||||
| YB42D3-4A-x (5) | 4A | Q | S | W | 5 | Fig.4 | |||||||||||||||||||||||||||||||||
| YB42D3-6A-x (5) | 6A | Q | S | W | 5 | Fig.4 | |||||||||||||||||||||||||||||||||
| YB42D3-8A-x (5) | 8A | Q | S | W | 5 | Fig.4 | |||||||||||||||||||||||||||||||||
| YB42D3-10A-x (5) | 10A | Q | S | W | 5 | Fig.4 | |||||||||||||||||||||||||||||||||
| YB42D4-1A-x (5) | 1A | Q | S | W | 5 | Fig.4 | |||||||||||||||||||||||||||||||||
| YB42D4-2A-x (5) | 2A | Q | S | - | 5 | Fig.4 | |||||||||||||||||||||||||||||||||
| YB42D4-3A-x (5) | 3A | Q | S | - | 5 | Fig.4 | |||||||||||||||||||||||||||||||||
| YB42D4-4A-x (5) | 4A | Q | S | - | 5 | Fig.4 | |||||||||||||||||||||||||||||||||
| YB42D4-6A-x (5) | 6A | Q | S | - | 5 | Fig.4 | |||||||||||||||||||||||||||||||||
| YB42D4-8A-x (5) | 8A | Q | S | - | 5 | Fig.4 | |||||||||||||||||||||||||||||||||
| YB42D4-10A-x (5) | 10a | Q | S | - | 5 | Fig.4 | |||||||||||||||||||||||||||||||||
*Q: Быстро-на 6.35x0.8mm
S: Волочение винта
T: Терминальный блок
Электрическая схема:

Fig.1

Fig.2

Fig.3

Fig.4
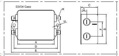
Механический размер (блок: mm)
| Случай | B | C | D | E | F | G | H | Я | J | K | L | |||||||||||||||||||||||||||||
| D3 | 63 | 51 | 29 | 75 | 85 | 25 | 10 | 5 | 6.3*0.8 | |||||||||||||||||||||||||||||||
| D4 | 63 | 51 | 38 | 75 | 85 | 27 | 15,5 | 4,5 | 6.3*0.8 | |||||||||||||||||||||||||||||||
| Допуски | ±1 | ±1 | ±1 | ±0.15 | ±1 | ±0.5 | ±0.5 | ±0.15 | ±0.15 | ±0.15 | ±2 | |||||||||||||||||||||||||||||
Таблица вносимой потери (в системе 50ohm согласовывая IEC/CISPR No.17)
Единый режим -------- дифференциальный режим
1A 3A
6A 10A

20a