24 кВ эпоксидная смола 2500A изоляторы с выключателем KYN28-24
Описание:
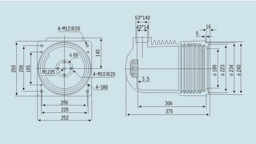
Контактная коробка представляет собой структуру формования геля давления эпоксидной смолы APG, которая используется для различных видов переключателей типа ручной тележки, выступая в качестве изоляции и перехода соединения.Контактная коробка формализована ecoxy с технологиями APG, она используется для интеграции и конверсии различных переключателей.Номинальное напряжение сульфоксида в соответствии с стенопробивающим корпусом не должно быть ниже номинального напряжения сети, в которой он расположен.. При наличии льда и снега, 3 ~ 20 кВ за пределами стенного корпуса следует выбрать более высокое напряжение продуктов. Для 3 ~ 6 кВ, также возможно принять продукты, которые увеличивают двухступенчатое напряжение.
Спецификация:
| Положение | Технические данные | ||||||||||||
| Номинальное напряжение (KV) | 3.6 | 7.2 | 12 | 24 | 40.5 | ||||||||
| Номинальная частота ((Hz) | 50 | ||||||||||||
| Изолятор (мощность) | изоляция | Частота выдерживает напряжение 5 мин (KV) | 25 | 32 | 42 | 68 | 100 | ||||||
| Частота выдерживает напряжение 1 мин (V) | 2000 | ||||||||||||
| Импульс освещения выдерживает напряжение (KV) | 40 | 60 | 75 | 125 | 185 | ||||||||
| Местные выбросы (pc) | ≤ 10 | ||||||||||||
| Повороты спора (N) | ≥ 1000 | ||||||||||||

Мы специализируемся на эпоксидной смоле среднего напряжения и высокого напряжения компоненты, такие как 10KV, 24KV и 40.5KV выключатель, переключатель перерыва, выключатель разъединения,Эпоксидная смола для переключателя630A, 1250A, 2500A, 3150A и 4000A контактные коробки, контактный клуб, фиксировать контакт, контакт руки и контакт челюсти. 630A и 1250A VS1 выключатель.630A и 1250A ZN85-40.5 выключатель 12 кВ и 24 кВ наземный переключатель KYN28A-12 и KYN61 высоковольтные компоненты выключателя 
