Переключатель LC/FC 1260 до 1650 nm пропуска TZ-FSW- 2×2B оптически
особенности
·Низкая вносимая потеря
·Широкий диапазон длины волны
·Низкая помеха
·Высокая стабильность, высокая надежность
·свободный от Эпоксидн на оптически пути
·Запирать на задвижку и Не-запирать на задвижку
применения
·НИОКР в лаборатории
·Системный контроль
·OADM
·ЧЕЛОВЕК (городская сеть)
Спецификации
| Параметры | Блок | TZ-FSW-2×2B | |
| Диапазон длины волны | nm | 1260 | 1650 | |
| Длина волны теста | nm | 1310 / 1550 | |
| Вносимая потеря 1, 2 | dB | Тип: 0,6 | Макс: 0,8 |
| Возвратите потерю 1, 2 | dB | ≥ 50 SM | |
| Помеха 1 | dB | ≥ 55 SM | |
| PDL | dB | ≤0.05 | |
| WDL | dB | ≤0.25 | |
| Повторимость | dB | ≤±0.02 | |
| Рабочий потенциал | V | 3,0 или 5,0 | |
| Стойкость | Циклы | ≥ 10 миллионов | |
| Переключая время | госпожа | ≤8 | |
| Оптически сила | mW | ≤500 | |
| Рабочая температура | ℃ | -20 | +70 | |
| Температура хранения | ℃ | -40 | +85 | |
| Относительная влажность | % | 5 | 95 | |
| Вес | g | 14 | |
| Размер | mm | (L) 27.0× (w) 12.0× (h) 8,2 ±0.2 или дизайн клиента | |
| Примечание: 1 в пределах рабочей температуры и SOP. 2 исключая соединителя. |
|||
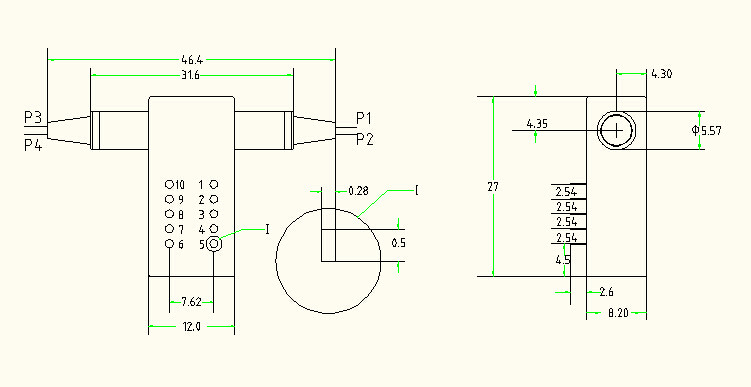
Конфигурации Pin
| Тип | Государство | Оптически маршрут | Электрический привод | Датчик состояния | ||||||
| 2×2B | Pin 1 | Pin 5 | Pin 6 | Pin 10 | Pin 2-3 | Pin 3-4 | Pin 7-8 | Pin 8-9 | ||
| Запирать на задвижку | P1-P3 | --- | --- | GND | V+ | Конец | Раскройте | Раскройте | Конец | |
| B | P1-P4, P2-P3 | V+ | GND | --- | --- | Раскройте | Конец | Конец | Раскройте | |
| Не- запирать на задвижку |
P1-P3 | --- | --- | --- | --- | Конец | Раскройте | Раскройте | Конец | |
| B | P1-P4, P2-P3 | V+ | --- | --- | GND | Раскройте | Конец | Конец | Раскройте | |

Размер

Электрическая спецификация
| Спецификации | Напряжение тока | Настоящий | Сопротивление | |
| 5V | запирать на задвижку | 4.5~5.5 v | 36~44 мамы | Ω 125 |
| 5V | Не-запирать на задвижку | 4.5~5.5 v | 26~32 мамы | Ω 175 |
| 3V | запирать на задвижку | 2.7~3.3 v | 54~66 мам | Ω 50 |
| 3V | Не-запирать на задвижку | 2.7~3.3 v | 39~47 мам | Ω 70 |
Упорядочение информации
| Тип волокна | Напряжение тока | Тип переключателя | Длина волны теста | TubeType | Длина волокна | Соединитель |
| SM: SM, 9/125 | 3:3V | L: Запирать на задвижку | 850:850nm | 25:250um | 05:0.5m±5cm | FP: FC/PC, FA: FC/APC |
| M5: MM, 50/125 | 1310:1310nm | 90:90 um | 10:1.0m±5cm | SP: SC/PC, SA: SC/APC | ||
| M6: MM, 62.5/125 | 5:5V | N: Не-запирать на задвижку | 13/15:1310/1550nm | X: Другие | 15:1.5m±5cm | LP: LC/PC, ЛА: LC/APC |
| X: Другие | X: Другие | X: Другие | OO: Никакие, x: Другие |