Тип клапан вафли Не-возвращения размера задерживающего клапана качания вкратце лицом к лицу
Спецификации
Применимые стандарты:
- ЛИЦОМ К ЛИЦУ: AP16D/AMSE B16.10
- РАЗМЕР ФЛАНЦА: ANSI/DIN/JIS/JB
Ряд размера:
- DN40~DN600
Оценка давления:
- PN10~PN40
Диапазон температур:
- -29°C~180°C
Применение
H74 тип типа вафл задерживающий клапан ультратонкий задерживающий клапан. Своя основная функция предотвратить противорот средства. Это автоматический клапан который полагается на среднем давлении раскрыть и близкий. Применимый к судостроению, нефтехимической промышленности, химической промышленности, prarmaceutical индустрии, технологии valveation, оборудованию защиты от огня, насосным установкам. CO. клапана Вэньчжоу Xidelong, тип задерживающий клапан диска пар ltd состоит из нескольких частей как тело клапана, диск клапана и кольцо запечатывания. Оно принимает тип структуру качания с облегченной, простой структурой, удобными установкой и обслуживанием, и сроком службы. Длинные особенности.

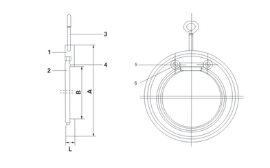
| РАЗМЕР | B | L | |
| 1 1/2» | 23 | 87 | 19 |
| 2" | 30 | 104 | 19 |
| 2 1/2» | 41 | 124 | 19 |
| 3" | 54 | 136 | 19 |
| 4" | 71 | 174 | 19 |
| 5" | 92 | 197 | 19 |
| 6" | 112 | 222 | 19 |
| 8" | 155 | 279 | 28 |
| 10" | 201 | 339 | 28 |
| 12" | 240 | 409 | 38 |
| 14" | 270 | 450 | 44 |
| 16" | 311 | 514 | 48 |
| 18" | 360 | 549 | 58 |
| 20" | 410 | 606 | 64 |
| 24" | 490 | 717 | 68 |
Особенность
Package&Delivery
Пакуя детали: Мы выбираем соответствующие деревянные случаи согласно различным клапанам и аранжируем квалифицированные рабочих для того чтобы упаковать в случае синяка. Долгосрочный объединенный товароотправитель запишет космос, пройдет таможенную очистку и транспортирует для нас без промедления. 3 пути для транспорта, морским путем, самолетом и поездом. Мы аранжируем транспорт согласно потребностям клиентов.
Детали доставки: согласно заказу, 7~60days
вопросы и ответы
Q: Вы торговая компания или изготовитель?
: Мы фабрика.
Q: Сколько времени ваш срок поставки?
: Согласно заказу, 7~60days.
Q: Вы обеспечиваете образцы? он свободно или дополнительные?
: Да, мы смогли предложить обязанность образца бесплатно но не оплачиваем цену перевозки.
Q: Что ваши условия платежа?
: Payment<=1000USD, 100% заранее. Payment>=1000USD, 30% T/T заранее, баланс перед пересылкой.