Задерживающий клапан PN16 вафли качания диска SS316 Essentric
Спецификации
Применимые стандарты:
- ЛИЦОМ К ЛИЦУ: AP16D/AMSE B16.10
- РАЗМЕР ФЛАНЦА: ANSI/DIN/JIS/JB
Ряд размера:
- DN40~DN600
Оценка давления:
- PN10~PN40
Диапазон температур:
- -29°C~180°C
Применение
Одиночный задерживающий клапан H74W/X качания вафли диска ультратонкий задерживающий клапан. Он принимает короткий размер структуры и одиночный дизайн клапана. Движение чувствительно, и космос установки особенно ограничен. Общего назначения модель имеет преимущества простой структуры, красивого возникновения, облегченной, удобной установки. Сравненный с традиционным задерживающим клапаном качания, эту серию клапанов нержавеющей стали не имеет никакую внешнюю утечку, можно установить в любое положение, хорошее проведение запечатывания, небольшую линейную вибрацию, падение низкого давления и нул колец места носит преимущество проверки.

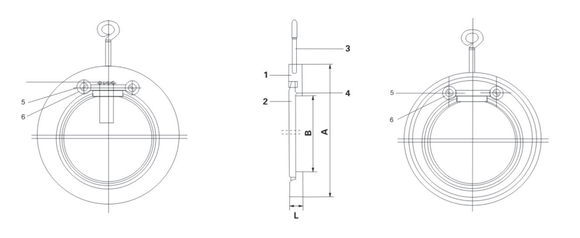
| DN | B | (NF) | L | ||
| PN10 | PN25 | PN10 | PN25 | ||
| 50 | 28 | 108 | 108 | 16 | 16 |
| 65 | 45 | 128 | 128 | 16 | 16 |
| 80 | 55 | 142 | 142 | 16 | 16 |
| 100 | 76 | 162 | 168 | 16 | 16 |
| 125 | 93 | 192 | 194 | 16 | 16 |
| 150 | 118 | 218 | 225 | 19 | 19 |
| 200 | 160 | 273 | 285 | 28 | 28 |
| 250 | 200 | 329 | 341 | 28 | 28 |
| 300 | 230 | 385 | 401 | 38 | 38 |
| 350 | 273 | 445 | 458 | 38 | 38 |
| 400 | 313 | 496 | 515 | 48 | 48 |
| 450 | 362 | 556 | 565 | 48 | 48 |
| 500 | 412 | 618 | 622 | 58 | 58 |
Особенность
Почему выберите нас?
CO. клапана Вэньчжоу Xidelong, Ltd профессиональные изготовитель и экспортер который связывают с дизайном, развитием и продукцией клапана, с удобным доступом транспорта. Весь из наших продуктов исполняют с международными стандартами качества и значительно оценены в разнообразие различных рынках по всему миру.
В результате наших изделий высокого качества и выдающего обслуживания клиента, мы приобретали глобальную сеть продаж достигая Ближний Восток, Европу, Азию.
Наши хорошо оборудованные объекты и превосходная проверка качества повсеместно во все этапы продукции позволяют мы гарантировать полное удолетворение потребностей клиента. Кроме того, мы получали ISO9001 и CE.
Package&Delivery
Пакуя детали: Мы выбираем соответствующие деревянные случаи согласно различным клапанам и аранжируем квалифицированные рабочих для того чтобы упаковать в случае синяка. Долгосрочный объединенный товароотправитель запишет космос, пройдет таможенную очистку и транспортирует для нас без промедления. 3 пути для транспорта, морским путем, самолетом и поездом. Мы аранжируем транспорт согласно потребностям клиентов.
Детали доставки: согласно заказу, 7~60days
вопросы и ответы
Q: Вы торговая компания или изготовитель?
: Мы фабрика.
Q: Сколько времени ваш срок поставки?
: Согласно заказу, 7~60days.
Q: Вы обеспечиваете образцы? он свободно или дополнительные?
: Да, мы смогли предложить обязанность образца бесплатно но не оплачиваем цену перевозки.
Q: Что ваши условия платежа?
: Payment<=1000USD, 100% заранее. Payment>=1000USD, 30% T/T заранее, баланс перед пересылкой.
