Тройник сварки встык нержавеющей стали дуплекса тройника равного BW ASTM A815 UNS S31803 равный
Равный тройник ASTM A815 WP-S UNS S31803 двухшпиндельный тройник нержавеющей стали. Это нержавеющая сталь феррита или аустенита с микроструктурой 50:50.
ASTM A815 стандартные технические условия для нанесенного Ferritic, Ferritic/аустенитового, и Martensitic штуцера тубопровода нержавеющей стали. Эта спецификация покрывает 2 общего класса, WP и CR. Штуцеры WP класса подразделены в 4 класса:
WP-S, безшовные продукты.
WP-W, сваренные продукты.
WP-WX, штуцеры трубы которые содержат сварки где все сварки были радиографированы.
WP-WU, штуцеры которые содержат сварки где все сварки ультразвуков были испытаны.
Типы тройника сварки встык (BW)
Тройник BW классифицирован в 2 типа согласно диаметрам ветви и функции там являются следующими:
Равный тройник: 3 ветви тройника имеют такие же диаметры. Также названный как прямой тройник.
Уменьшение тройника (тройника редуктора). : Диаметр ветви более небольшой чем основной диаметр. Уменьшая тройник обычно описан как диаметры NPS в 4" x 4" x 3", где 4" линия диаметр трубы, и 3" уменьшая ветвь.
Информация о продукте
| Название продукта | Тройник сварки встык нержавеющей стали дуплекса тройника равного BW ASTM A815 UNS S31803 равный | 
| Ряд размера | Размер: 1/2» до 24" | 
| Толщина стены | Sch10S Sch20 STD Sch40 XS Sch80 | 
| Стандарты | ASTM A815 MSS SP-75 | 
| Материал | UNS S31803 | 
| Изготовляя стандарты | ASME B16.9 | 
Материальные (UNS S31803) химические составы
| Обозначение UNS | C | Mn | P | S | Si | Ni | Cr | Mo | N | 
| S31803 | 0,03 | 2,00 | 0,03 | 0,02 | 1,00 | 4.5-6.5 | 21.0-23.0 | 2.5-3.5 | 0.08-0.20 | 
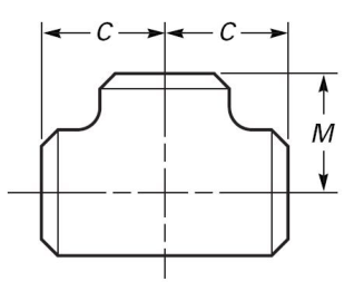
Стальные равные размеры и вес тройника

| Номинальный Размер трубы (NPS) | Вне Dia. на наклоне (mm) | Центр-к-конец | Вес (kg) | ||||||
| Бег, c (mm) | Выход, m (mm) | Sch 10S | Sch 20 | STD | Sch 40 | XS | Sch 80 | ||
| 1/2 | 21,3 | 25 | 25 | 0,1 | 0,16 | 0,16 | 0,25 | 0,25 | |
| 3/4 | 26,7 | 29 | 29 | 0,13 | 0,2 | 0,2 | 0,27 | 0,27 | |
| 1 | 33,4 | 38 | 38 | 0,28 | 0,29 | 0,29 | 0,35 | 0,35 | |
| 1-1/4 | 42,2 | 48 | 48 | 0,5 | 0,53 | 0,53 | 0,65 | 0,65 | |
| 1-1/2 | 48,3 | 57 | 57 | 0,7 | 0,77 | 0,77 | 0,96 | 0,96 | |
| 2 | 60,3 | 64 | 64 | 0,85 | 1,88 | 1,88 | 1,9 | 1,9 | |
| 2-1/2 | 73,0 | 76 | 76 | 1,4 | 2,69 | 2,69 | 3,07 | 3,07 | |
| 3 | 88,9 | 86 | 86 | 1,8 | 3,82 | 3,82 | 4,5 | 4,5 | |
| 3-1/2 | 101,6 | 95 | 95 | 2,7 | 5,18 | 5,18 | 6,17 | 6,17 | |
| 4 | 114,3 | 105 | 105 | 3,5 | 6 | 6 | 8,44 | 8,44 | |
| 5 | 141,3 | 124 | 124 | 6,1 | 9,94 | 9,94 | 12,94 | 12,94 | |
| 6 | 168,3 | 143 | 143 | 8,1 | 16,48 | 16,48 | 19,3 | 19,3 | |
| 8 | 219,1 | 178 | 178 | 15,6 | 29 | 33 | 33 | 34,5 | 34,5 | 
| 10 | 273,0 | 216 | 216 | 27 | 34,7 | 49,35 | 49,35 | 58,57 | 68 | 
| 12 | 323,8 | 254 | 254 | 40 | 59 | 65 | 70,5 | 84,9 | 115 | 
| 14 | 355,6 | 279 | 279 | 48 | 90 | 93 | 114,41 | 127,12 | 165 | 
| 16 | 406,4 | 305 | 305 | 59 | 100 | 115 | 167,52 | 167,52 | 249 | 
| 18 | 457 | 343 | 343 | 77 | 127,12 | 135 | 238,35 | 190 | 322 | 
| 20 | 508 | 381 | 381 | 103 | 168 | 168 | 320,52 | 245 | 459 | 
| 22 | 559 | 419 | 419 | 200 | 200 | 280 | 600 | ||
| 24 | 610 | 432 | 432 | 155 | 240 | 240 | 570,68 | 350 | 748 |