Нержавеющая сталь 90DEG ISO 49-1994 поток бросания локтя 90 градусов Мужчин-женский
Информация о продукте
| Название продукта | Нержавеющая сталь 90DEG ISO 49-1994 поток бросания локтя 90 градусов Мужчин-женский |
| Типы потока | ASME B1.20.1 (NPT), BS 21 (NSPT), DIN2999/259 |
| Размеры | ISO 49-1994 (E), MSS SP-114, ANSI B16.3 |
| Ряд размера | 3/8" до 2-1/2» |
| Класс давления | Класс 150 |
| Материалы | ASTM A351 (CF8, CF8M), JIS (SCS13, SCS14), AISI (304/L, 316/L), ASTM A182/A276 (304/L, 316/L), |
ASTM A351 CF8 и CF8M
ASTM A351 CF8 и CF8M аустенитная нержавеющая сталь, показывают хорошие прочность и дуктильность. CF8/CF8M получают широкое применение в насосе и клапане, морском пехотинце, химической обработке, пищевых промышленностях, CF8 также быть приложенным в ядерном и оборонных отраслях.
Химический состав ASTM A351 CF8/CF8M (%)
| Ранг | C | Mn | Cr | Mo | Ni | Fe | Cu |
| CF8 | 0-0.08 | 0-1.5 | 18-21 | 0-0.5 | 9-11 | Bal | 0.00-0.00 |
| CF8M | 0-0.08 | 0-1.5 | 18-21 | 2-3 | 9-12 | Bal | 0.00-0.00 |
Свойства ASTM A351 CF8/CF8M механические
| Ранг |
Прочность на растяжение (ksi) |
Прочность выхода (ksi) |
Удлиненность (%) |
Твердость (Brinell) |
| CF8 | 0.00-70 | 30 | 35 | 134-196 |
| CF8M | 0.00-70 | 30 | 30 | 146-212 |
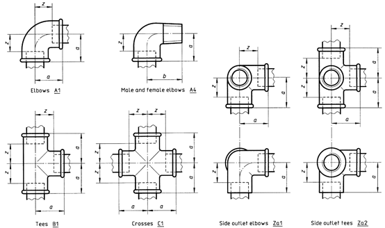
Размеры ISO 49-1994 (e) локтя (mm)

| Приспосабливая размеры (дюймы) | Размеры (mm) | Кладя длины (mm) | ||||||
| A1 | A4 | B1 | C1 | Za1 | Za2 | a | b | Z |
| ⅛ | ⅛ | ⅛ | — | — | — | 19 | 25 | 12 |
| ¼ | ¼ | ¼ | (¼) | — | — | 21 | 28 | 11 |
| ⅜ | ⅜ | ⅜ | ⅜ | (⅜) | (⅜) | 25 | 32 | 15 |
| ½ | ½ | ½ | ½ | ½ | (½) | 28 | 37 | 15 |
| ¾ | ¾ | ¾ | ¾ | ¾ | (¾) | 33 | 43 | 18 |
| 1 | 1 | 1 | 1 | (1) | (1) | 38 | 52 | 21 |
| 1¼ | 1¼ | 1¼ | 1¼ | — | — | 45 | 60 | 26 |
| 1½ | 1½ | 1½ | 1½ | — | — | 50 | 65 | 31 |
| 2 | 2 | 2 | 2 | — | — | 58 | 74 | 34 |
| ½ 2 | ½ 2 | ½ 2 | (½ 2) | — | — | 69 | 88 | 42 |
| 3 | 3 | 3 | (3) | — | — | 78 | 98 | 48 |
| 4 | 4 | 4 | (4) | — | — | 96 | 118 | 60 |
| (5) | — | (5) | — | — | — | 115 | — | 75 |
| (6) | — | (6) | — | — | — | 131 | — | 91 |