Введение гибкого сцепления Pin Буша резинки нейлона HLL гибкого с тормозным колесом
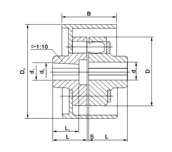
HLL тип-с соединением elasticityPin тормозного колеса было перечислено как стандартное GB5014-85, соответствующее для разнообразие механического соединения 2 коаксиальной линии вал привода, обычно используемого для частая высокой и температура низкоскоростного движения работая -20 ~+80; Номинальный вращающий момент передачи 40~20000N.m эластичное соединение штыря имеет простую и разумную структуру. симметричный и заменимый на обеих сторонах, длинной жизни, позволять большому аксиальному перемещению, и имеет свойства снабжать подкладкой и амортизации. Тип эластичное соединение HLL штыря прост в структуре и легок изготовить. Более удобно собрать и демонтировать эластичный элемент без двигать 2 половины соединения. Материал эластичного элемента (эластичного штыря) вообще нейлон, который имеет способность возмещать потерю отступление 2 осей в небольшом количестве. Эластичная часть срезана во время деятельности и имеет плохую работая надежность. Только соответствующее для трансмиссионных передаточных валов средств-скорости с очень низкими требованиями. Условия труда требуя более высокой работая надежности.

| модель | Вращающий момент | Скорость [n] | Скважина | Длина | D0 | D | B | s | Момент инерции | Вес |
| Tn | r / минута | d1, d2, dz | Тип j y, J1, тип Z1 | kg.㎡ | Kg | |||||
| N.m | mm | L, L1 | ||||||||
| HLL1 | 315 | 5600 | 20-35 | 38-82 | 200 | 120 | 85 | 2,5 | 218 | 11 |
| HLL2 | 630 | 5000 | 30-48 | 60-112 | 200 | 160 | 85 | 2,5 | 2,45 | 14 |
| HLL3 | 630 | 1900 | 30-48 | 60-112 | 315 | 160 | 132 | 2,5 | 13,08 | 25 |
| HLL4 | 1250 | 1900 | 40-63 | 84-142 | 315 | 195 | 132 | 3 | 16,6 | 40 |
| HLL5 | 1250 | 1400 | 40-63 | 84-142 | 400 | 195 | 168 | 3 | 49,2 | 59 |
| HLL6 | 2000 | 1400 | 50-75 | 84-142 | 400 | 220 | 168 | 3 | 57,6 | 69 |
| HLL7 | 2000 | 1120 | 50-75 | 84-142 | 500 | 220 | 210 | 3 | 127,4 | 91 |
| HLL8 | 3150 | 1400 | 60-85 | 107-172 | 400 | 280 | 168 | 4 | 161,7 | 88 |
| HLL9 | 3150 | 1120 | 60-85 | 107-172 | 500 | 280 | 210 | 4 | 129,2 | 113 |
| HLL10 | 6300 | 1120 | 70-110 | 102-212 | 500 | 320 | 210 | 4 | 156 | 156 |
| HLL11 | 6300 | 960 | 70-110 | 102-212 | 630 | 320 | 265 | 4 | 314 | 187 |
| HLL12 | 10000 | 960 | 80-125 | 132-212 | 630 | 360 | 265 | 5 | 328 | 326 |
| HLL13 | 16000 | 800 | 100-140 | 167-252 | 710 | 410 | 298 | 5 | 713 | 337 |
| HLL14 | 25000 | 800 | 110-180 | 167-302 | 710 | 480 | 298 | 6 | 849 | 458 |
| HLL15 | 25000 | 710 | 110-180 | 167-302 | 800 | 480 | 335 | 6 | 1231 | 504 |

Оборудование для передачи Jude графства Nanpi изготовляя CO., LTD. предприятия которые специализировали в соединении исследования и продукции. Также мы можем начать новые продукты и больш-продукцию. С богатым опытом, профессиональная команда НИОКР и различное оборудование в соединении, оно имеет главные условия к удовлетворенному ваши различные требования.
Продукты компании главные являются следующими: все виды соединений для индустрии машинного оборудования на всем слово, как радиальная гибкая муфта, tyred соединение, всеобщее соединение, соединение шестерни барабанчика, гибкая муфта формы цветка сливы, соединение твердый соединять oldham, связь при помощи цепи ролика, соединение диафрагмы, соединяя соединения штыря рукава столбца эластичные, эластичный контрольный штифт, эластичное соединение контрольного штифта, соединение вала насоса, etc…
Концепции нашей компании в реальном маштабе времени на качестве и превращаются на почетности. Соединение имеет преимущество высококачественного, низкую цену, полные модели продукта. Наша компания будет вашим самым лучшим выбором, и мы смотрят, что вперед сотрудничаем с вами.

Q1: Вы торговая компания или изготовитель?
: Мы фабрика.
Q2: Вы обеспечиваете образцы? оно свободно или дополнительные?
: : Да, мы смогли предложить образец но не бесплатно. Фактически мы имеем очень хороший принцип цены, когда вы делаете оптовый заказ после этого стоите образца будете возвращенны к вам.
Q3: Сколько времени ваш срок поставки?
: Вообще 10-15 дней если товары в запасе. или 7-25 дней если товары нет в запасе, то, оно согласно количеству.
Q4: Сколько времени ваша гарантия?
: Наша гарантия 12 месяца.
Q5: Вы имеете процедуры по осмотра для соединять?
: само-осмотр 100% перед паковать
Q6. Что ваша оплата?
: 1) 100% T/T. 2) 30% заранее, другие перед пересылкой. 3) L/C Q7: Могу я иметь посещение к вашей фабрике перед заказом? : Конечно, радушный посетить нашу фабрику.