КАНОПЭН вывело наружу датчик уклономера для Угл-выигрывая измерения машинного оборудования горизонтального
Особенности
Выход ☆ КАНОПЭН
Точность ☆ высокая
Размер ☆ небольшой
Применение
☆Энгинеринг измерение машинного оборудования горизонтальное
☆Коал-выигрывая измерение машинного оборудования горизонтальное
Спецификация
| Тип | К-2КДЖДЖ600 |
| Электрический характер | |
| Ввод напряжения | 12~24ВДК |
| Течение входного сигнала | <40мА |
| Режим выхода | КАНОПЭН (КАН2.0) |
| Скорость передачи информации в бодах | 125кбпс (дефолт) |
| Уточнение данных | 25 Хз |
| Индекс представления | |
| Ряд | ±20°, ±40°, ±60°, ±75°селектабле |
| Нелинейный (%ФС) | 0.1%ФС |
| Разрешение (°/с) | 0.01° |
| Смещение | ≤0.2° |
| Ширина полосы частот | 5Хз |
| Старт-уп время (госпожа) | <0.5с |
| Экологические характеристики | |
| Компенсированные температуры | -40℃~70℃ |
| Температура (°К) | -40℃~+70℃ |
| Температура хранения | -40℃~+125℃ |
| Физические характеристики | |
| Вес (г) | 250г |
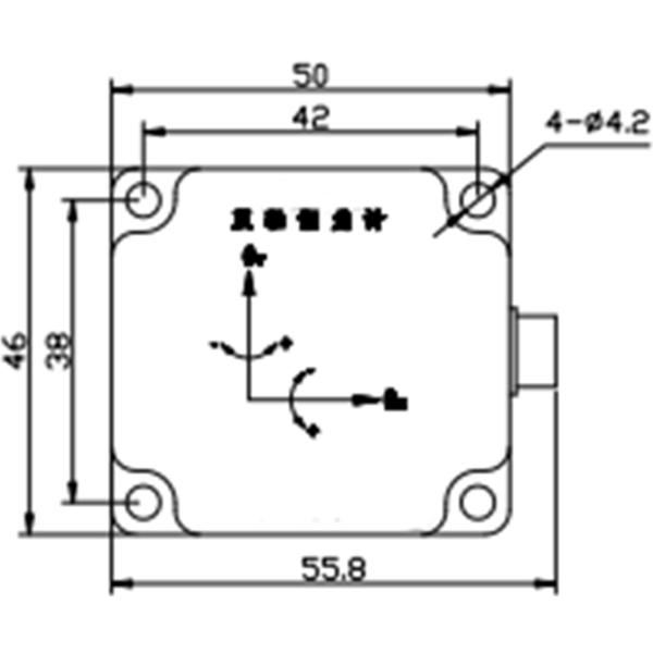
| Размеры | 56×46×17мм |
Примечание: Ряд может выбрать ±20°, ±40°, ±60°, ±75°
Размер


мастерская



Наше преимущество
1,100% реальных фото--Детальные изображения, детальное дескриптион7
часы 2.*24 онлайн--Эффективное обслуживание, ответы профессионала
3. Продажа продуктов не позднее одно гарантия года и обслуживание времени жизни.
4.Афтер получение товаров если качественные проблемы можно возвратить, то (искусственное никогда не используемое повреждение,)
5.ОЭМ доступно; небольшие количества, смешанные оптовые заказы также радушны;
6. Путь доставки: УПС, ДХЛ, ТНТ, ФЭДЭРАЛ ЭСПРЭСС, ЭМС, СТОЛБ КИТАЯ.
Когда установка компании, мы начала фокусировать на координации военной продукции поставок, достиганное ГБ/Т19001-2008/ИСК9001: 2008, аттестация ГДЖБ 9001Б-2009. Когда наша компания бег зрелый и стабилизированный, в 2008, мы начали начинать наше дело. Основанный на продукции военной проверки качества продуктов, мы начали много продукты датчика, как датчик давления/датчик/датчик, ровный передатчик/ультразвуковой ровный метр/ультразвуковой измеритель прокачки, продукты инерциальной навигации, ИМУ, волчок, акселерометр етк.
Прочность компании
1.Тхроугх ИСО9001: 2008 аттестаций качественной системы, доступ к нескольким сертификатов патента и авторские права программного обеспечения
университет 2.Анд Сямен, китайский институт академии наук акустики, 715, Ха проектируя подводный акустический коллеж и много других коллежи и университетов, сотрудничество блока научного исследования
3.Продукц в северо-западной промышленной группе, КО. Хайнан Айрлинес, Лтд., широко использованы
4.Чина'с самый большой датчик, основание продукции счетчика- расходомера