Выход цифров РС485, удаленный датчик уклономера передачи
Особенности
☆Дигитал РС485 выход, удаленная передача
Компенсация диапазона температур ☆К-2КДЖДЖ200А вся
размер ☆Смалл, облегченный
Применение
☆енгинеринг измерение машинного оборудования горизонтальное
☆Лабораторы выравнивать аппаратуры
Спецификация
| Тип | К-2КДЖДЖ200 | К-2КДЖДЖ200А | К-2КДЖДЖ200К |
| Электрический характер | |||
| Ввод напряжения | 5±0.25ВДК | ||
| Течение входного сигнала | <40мА | ||
| Режим выхода | РС485 | 1~4В | |
| Скорость передачи информации в бодах | 19200 бпсбпс | ||
| Уточнение данных | 25 Хз | ||
| Коэффициент эффекта масштаба | 3±0.2 В/г | ||
| Индекс представления | |||
| Ряд | ±75° | 20° | |
| Нелинейный (%ФС) | 0.3%ФС | 0.1%ФС | |
| Разрешение (°/с) | 0.05° | 0.01° | |
| Смещение | 0.1° | 2.5±0.1° | |
| Ширина полосы частот | 5Хз | ||
| Старт-уп время (госпожа) | <1с | ||
| Экологические характеристики | |||
| Компенсированные температуры | -40℃~70℃ | ||
| Температура (°К) | -40℃~+70℃ | ||
| Температура хранения | -40℃~+125℃ | ||
| Физические характеристики | |||
| Вес (г) | 50г | ||
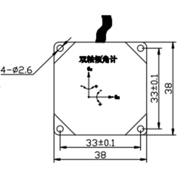
| Размеры | 38×38×15.5мм | ||
Примечание: Ряд может выбрать ±20°, ±40°, ±60°, ±75°
Размер




Прочность компании
1.Тхроугх ИСО9001: 2008 аттестаций качественной системы, доступ к нескольким сертификатов патента и авторские права программного обеспечения
университет 2.Анд Сямен, китайский институт академии наук акустики, 715, Ха проектируя подводный акустический коллеж и много других коллежи и университетов, сотрудничество блока научного исследования
3.Продукц в северо-западной промышленной группе, КО. Хайнан Айрлинес, Лтд., широко использованы
4.Чина'с самый большой датчик, основание продукции счетчика- расходомера
мастерская



Наше преимущество
1,100% реальных фото--Детальные изображения, детальное дескриптион7
часы 2.*24 онлайн--Эффективное обслуживание, ответы профессионала
3. Продажа продуктов не позднее одно гарантия года и обслуживание времени жизни.
4.Афтер получение товаров если качественные проблемы можно возвратить, то (искусственное никогда не используемое повреждение,)
5.ОЭМ доступно; небольшие количества, смешанные оптовые заказы также радушны;
6. Путь доставки: УПС, ДХЛ, ТНТ, ФЭДЭРАЛ ЭСПРЭСС, ЭМС, СТОЛБ КИТАЯ.
Когда установка компании, мы начала фокусировать на координации военной продукции поставок, достиганное ГБ/Т19001-2008/ИСК9001: 2008, аттестация ГДЖБ 9001Б-2009. Когда наша компания бег зрелый и стабилизированный, в 2008, мы начали начинать наше дело. Основанный на продукции военной проверки качества продуктов, мы начали много продукты датчика, как датчик давления/датчик/датчик, ровный передатчик/ультразвуковой ровный метр/ультразвуковой измеритель прокачки, продукты инерциальной навигации, ИМУ, волчок, акселерометр етк.