Огонь инертного газа давления деятельности 15MPa - туша система IG100
Системы инертного газа IG100 пожаротушение тома 80L 90L цилиндра заключило затоплять
Описание
Огонь инертного газа - тушить системы сейф, естественный путь потушить огонь. Из-за своего уникального запатентованного собрания клапана, агент входит в защищенную зону в пределах индустрии требовал 60 секунд но на тарифе спокойного течения — предотвращение разрушительного завихрения от происходить. Этот постоянн расход потока учитывает пользу небольш-диаметра, тубопровода низкого давления (и более менее дорогой) от контейнера инертного газа полностью к соплу. И, необходимая вентилируя область гораздо небольшее, которая может уменьшить цены установки как много как 60% на вентилировать оборудование.
Параметры
| Нет. | Спецификация | Технический параметр | |
| 1 | Давление деятельности | 15Mpa | |
| 2 | Модель прибора | QMD15/80 | QMD15/90 |
| 3 | Емкость | 80Ltr | 90Ltr |
| 4 | Заполняя емкость газа | 14.25kg | 16.04kg |
| 5 | Вне диаметра цилиндра | Φ279mm | Φ325mm |
| 6 | Высота цилиндра | 1578+73mm | 1345+60mm |
| 7 | Распыляя время | ≤10s | |
| 8 | Максимальный заполняя тариф | 0.178kg/L | |
| 9 | Сила | DC24V/1.6A | |
| 10 | Давление азота задающего усилителя | 6.0±1.0Mpa (20℃) | |
| 11 | Условие резервировать комнату для контейнера | температура: 0~50℃ | |
| 12 | Максимальное давление работы | 17.2Mpa | |
| 13 | Минимальное давление работы | 13.6Mpa | |
Применение
Компьютерная комната, комната радиосвязи, комната трансформатора, электрический переключатель и комната распределения, генераторное отделение, выщелачивая танк, оборудование засыхания, будочку краски распыляя, электрическую комнату аппаратуры, центр управления, библиотеку, архивы, сокровищницу культурных реликвий, etc.
Пакеты
Мы всегда пакуем его с polyfoam сперва и после этого кладем его в деревянный случай. Иногда, соотвествовать клиентам или безопасности, мы сделаем паллет для товаров.

Преимущества
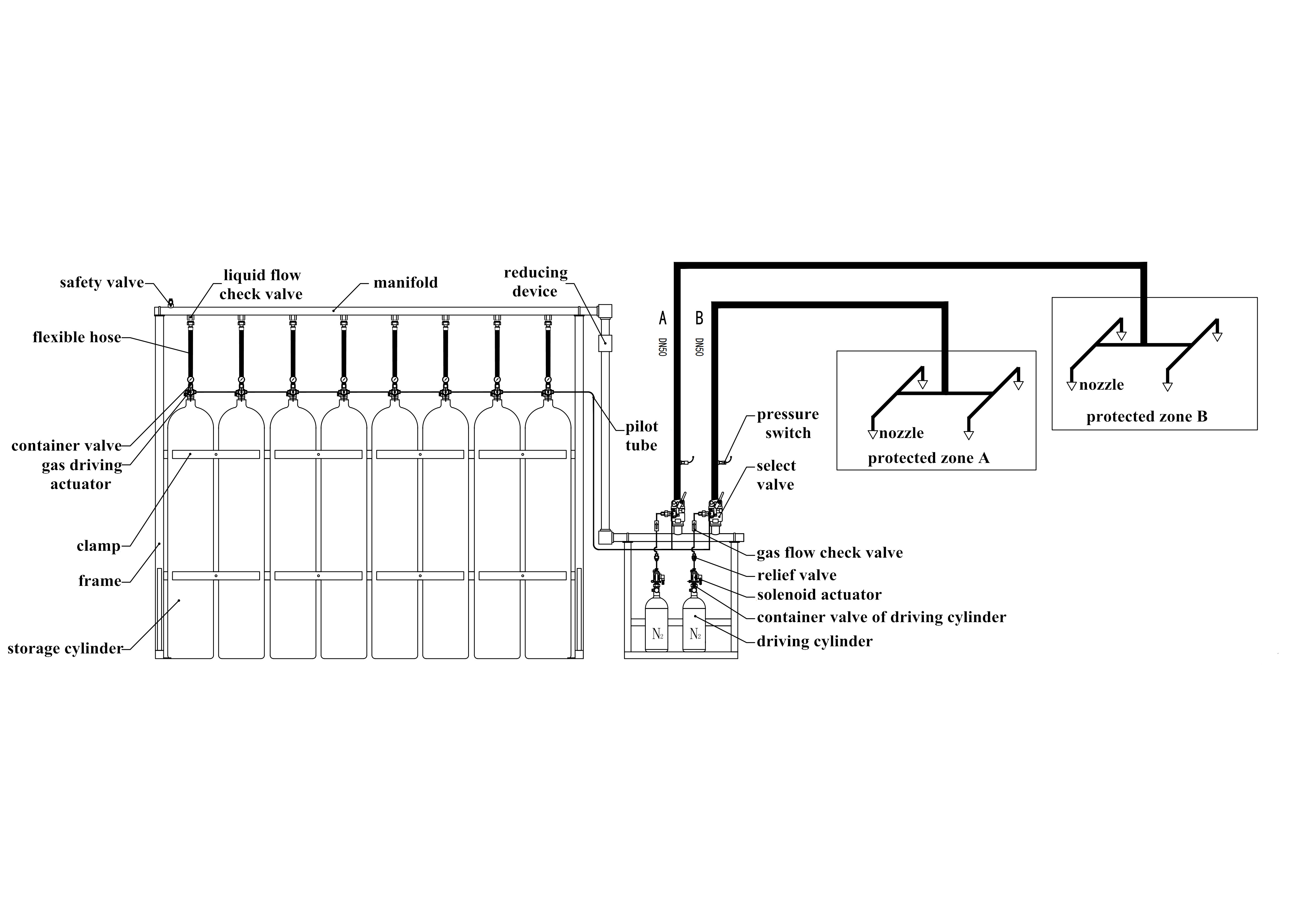
Мимическая диаграмма
Множественные цилиндры для множественных зон

Множественные цилиндры для одной зоны

Обслуживание После-продажи
-----------------------------------------------------------------------------------
• Мы имеем эффективные продажи и после продаж объединяемся в команду для того чтобы пообещать slove вопросу о всего клиента во времени.
• Мы обеспечиваем службу технической поддержки и обслуживание часов 8×6.