Система пожаротушения IG100
Инертный газ IG100 Система пожаротушения Цилиндр объем 80L 90L Закрытое наводнение
Описание
IG100 использует 100% азота под давлением, который составляет 78% атмосферы, в качестве гасительного агента.Время удержания в атмосфере равен нулю без каких-либо негативных последствий для окружающей средыОн полностью интегрирует концепцию проектирования системы пожаротушения в новую эпоху, так что продукт успешно выполняет функции охраны окружающей среды и эффективного пожаротушения.
IG100 характеристики: защита экологической среды Земли, безопасность и гигиена не мешают зрению, нет пятен, вызванных огнетушителем, долговечный пожарный эффект.Азот можно отделить от воздуха и производить из самых разных источников по низкой цене.
Параметры
| Нет, нет, нет. | Спецификация | Технический параметр | |
| 1 | Рабочее давление | 15 МПа | |
| 2 | Модель устройства | QMD15/80 | QMD15/90 |
| 3 | Мощность | 80 литров | 90 литров |
| 4 | Наполнительная мощность газа | 14.25 кг | 160,04 кг |
| 5 | Внешний диаметр цилиндра | Φ279 мм | Φ325 мм |
| 6 | Высота цилиндра | 1578+73мм | 1345+60мм |
| 7 | Время опрыскивания | ≤ 10 с | |
| 8 | Максимальная скорость заполнения | 00,178 кг/л | |
| 9 | Сила | DC24V/1.6A | |
| 10 | Давление азота при управлении | 6.0±1.0Mpa(20°C) | |
| 11 | Состояние резервирования помещения для контейнеров | температура: 0~50°C | |
| 12 | Максимальное рабочее давление | 17.2Мпа | |
| 13 | Минуты рабочего давления | 130,6 МПа | |
Применение
Компьютерная комната, телекоммуникационная комната, трансформаторная комната, комната электрических выключателей и распределительных аппаратов, генераторная комната, резервуар для выщелачивания, сушильное оборудование, кабина для распыления краски, комната для электроинструментов,центр управления, библиотека, архивы, сокровищница культурных реликвий и т.д.
Пакеты
Мы всегда сначала упаковываем его в полипеновую пленку, а затем кладем в деревянный ящик. Иногда, чтобы удовлетворить требованиям клиентов или безопасности, мы делаем поддоны для товаров.

Преимущества
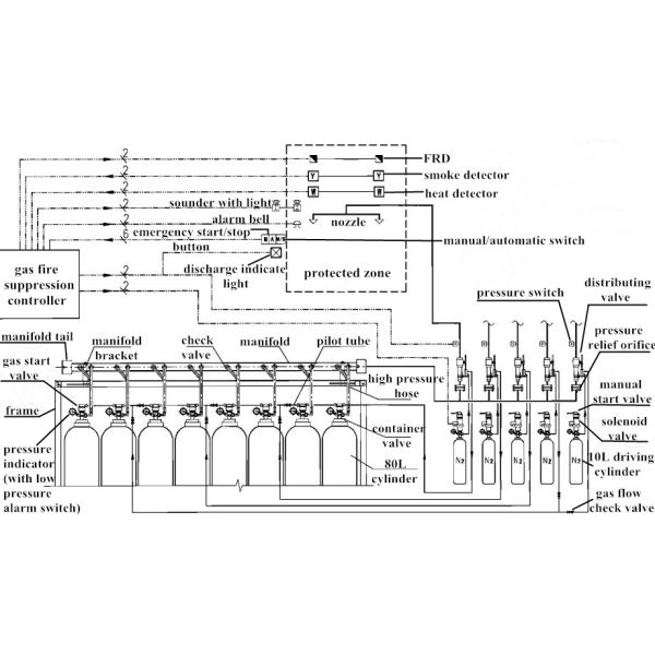
Диаграмма подражания
Одно/многоцилиндровые (с) для нескольких зон

Одно/множественные баллоны для одной зоны

Введение в компанию
Компания Guangzhou Xingjin Fire Equipment Co., Ltd. расположена в Гуанчжоу, который имеет жизненно важное значение для связи между Китаем и остальным миром.Он окружен превосходным транспортом и прекрасным окружением.Мы являемся производителем, и наш профессиональный и опытный персонал, который состоит из команды разработчиков программ, умелой команды установки, команды по обнаружению качества,и послепродажной службы, посвящена изучению и разработке продуктов HFC-227ea (FM200).автоматический огнетушитель FM200 (стиль на потолке)В настоящее время широко используется система подавления пожара с обнаружением труб и автоматическая труба подавления пожара.В результате высококачественных продуктов и услуг, а также хорошей репутации, наша компания хорошо воспринимается клиентами в Китае.

Почему выбирать нас?
• 5 лет гарантии качества
• Xingjin работает в системе управления высокой эффективностью
• Усовершенствованное оборудование и профессиональные инженеры гарантируют, что все продукты будут удовлетворительными.
• Мы предоставляем техническую поддержку и обслуживание 8×6 часов.
Послепродажное обслуживание
• У нас есть эффективные продажи и послепродажная команда, чтобы обещать, что все вопросы клиентов будут решены вовремя.
• Мы предоставляем техническую поддержку и обслуживание 8×6 часов.