патрон предохранителя держателя PCB 01530008Z для мини взрывателя лезвия с вертикальным описанием HolderProduct взрывателя UL 32V 15A 297 терминала 01530008
МИНИ патроны предохранителя PCB принести надежность и наличие вставляемого МИНИ взрывателя 32V к монтажной плате. Вертикальная и горизонтальная установка блоков предложена. Патрон предохранителя имеет «тупики» для того чтобы приспособить стирку доски и включает уникальный «анкер замка доски» для поддержания твердого механического скрепления к PCB
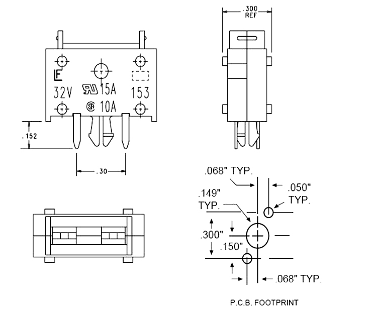
| Деталь | Патрон предохранителя 01530008 |
| Стиль Mouting | PCB |
| Материал | Термопластиковый UL 94-V0, залуживанная латунь |
| Терминальный угол | горизонтальный |
| Утверждения | UL CSA |
| Пигмент | черный |
| Длина тела | 17,3 mm |
| Ширина тела | 12,9 mm |
| Толщина тела | 7,6 mm |
Чертеж патрона предохранителя 01530008Z

0153 серии

Тип размеры лезвия взрывателя

| Размер | P/N | Размеры l × h w × | Оценки |
| Micro2 | APT, ATR | 9,1 × × 3,8 15,3 mm | 5a, 7.5a, 10a, 15a, 20a, 25a, 30a |
| Micro3 | ATL | × 14,4 × 4,2 18,1 mm | 5a, 7.5a, 10a, 15a |
| LP-мини | APS, ATT | × 10,9 × 3,81 8,73 mm | 2a, 3a, 4a, 5a, 7.5a, 10a, 15a, 20a, 25a, 30a |
| Мини | APM, ATM | × 10,9 × 3,6 16,3 mm | 2a, 3a, 4a, 5a, 7.5a, 10a, 15a, 20a, 25a, 30a, 35a |
| Постоянный посетитель | АПРЕЛЬ, ATC, ATO, ATS | × 19,1 × 5,1 18,5 mm | 1a, 2a, 3a, 4a, 5a, 7.5a, 10a, 15a, 20a, 25a, 30a, 35a, 40a |
| Макси | ПРИБЛИЗИТЕЛЬНЫЙ | 29,2 × × 8,5 34,3 mm | 20a, 25a, 30a, 35a, 40a, 50a, 60a, 70a, 80a, 100a |
Цвета & оценки
| Цвет | Оценка |
| Черный | 1 a |
| Серый цвет | 2 a |
| Фиолет | 3 a |
| Пинк | 4 a |
| Tan | 5 a |
| Браун | 7,5 a |
| Красный | 10 a |
| Синь | 15 a |
| Желтый цвет | 20 a |
| Прозрачный | 25 a |
| Зеленый цвет | 30 a |
| Зеленоголубой | 35 a |
| Апельсин | 40 a |
| Красный | 50 a |
| Синь | 60 a |
| Амбер/загорает | 70 a |
| Прозрачный | 80 a |
| Фиолет | 100 a |
Применения
Автомобиль, шлюпка, тележка, SUV, мотоцикл, etc.
Стандартный пакет:
1000pcs в сумку
Грузя термина:
EXW, DDU, DDP, C&F, ОБМАНЫВАЮТ
Грузя методы:
Срочный, самолетом, морским путем
1. Замените взрыватель согласно расклассифицированной текущей стоимости показал в коробке взрывателя, и не используйте взрыватель с более высоким расклассифицированным течением.
2. Если новый взрыватель дунут немедленно, то это показывает что система цепи может быть небезупречна и должна быть отремонтирована как можно скорее.
: Мы фабрика продукта взрывателя.
: Вообще 3 дня если товары в запасе, то 5-10 дней если товары не в запасе, согласно количеству.
: Да, мы смогли предложить обязанность образца бесплатно но не оплачиваем для цены перевозки.
: 100% заранее, T/T.
патрон предохранителя держателя PCB 01530008Z для мини взрывателя лезвия с вертикальным UL 32V 15A терминала 01530008 297 плавких частей предохранителя
| Деталь | Патрон предохранителя 01530008 |
| Стиль Mouting | PCB |
| Материал | Термопластиковый UL 94-V0, залуживанная латунь |
| Терминальный угол | горизонтальный |
| Утверждения | UL CSA |
| Пигмент | черный |
| Длина тела | 17,3 mm |
| Ширина тела | 12,9 mm |
| Толщина тела | 7,6 mm |