Номер деталиGTS-SGT21-20DCFмодулейприемопередатчикаdBm силы 8 класса d TX GPON OLT SFP
Описание
Эта сила GPON OLT SFP 8dBm Tx вполне уступчива с требованиями к класса D/C+++ ITU G.984.2 для оптически линии применений терминала (OLT) с 1.244Gbps перед и 2.488Gbps по потоку.
Этот модуль GPON d SFP упаковывая состоит из 1490nm приемника передатчика непрерывн-режима 2.488Gbps DFB, 1310nm взрыв-режима 1.244Gbps APD, предусилителя и фильтра WDM в высоко-интегрированной оптически подсистеме. Это продукт лазера класса 1 исполнить с IEC 60825-1 и IEC 60825-2, и это MSA SFP, SFF-8472 и ROHS6 уступчивые.
Спецификация
| Название продукта | Модуль GPON OLT SFP | Тип класса | Класс D/C+++ |
| Упаковка | SFP | Напряжение тока электропитания | +3.3V |
| Соединитель | Симплекс SC | Максимальная достигаемость | 20km |
| DDM/DOM | Поддержанный | Тип волокна | волокно одиночного режима |
| Гарантия | 3 лет | Рабочая температура | -5~70°C/-40~85°C |
| Тариф данных (TX) | 2.488Gbps | Тариф данных (RX) | 1.244Gbps |
| Длина волны (TX) | 1490nm | Длина волны (RX) | 1310nm |
| Расход энергии | <1.5W | Полное течение | 450mA (Макс) |
| Передатчик | DFB | Приемник | APD |
| Сила выхода TX (dBm) | +6.0~+10.0dBm | Чувствительность RX | < -32.0dBm |
| Ext. Коэффициент | >8.2dB | Перегрузка приемника | >-15dBm |
| Протоколы | SFF-8472, ITUT-984.2 | ||
Особенности
Применение
Стандарты
| Характеристики оптически передатчика | ||||||
| Параметр | Символ | Минута | Типичный | Макс | Блок | Примечания |
| Запущенная сила (avg.) | POUT | +6 | +8 | +10 | dBm | |
| Работая диапазон длины волны | λC | 1480 | 1500 | nm | ||
| Спектральная ширина (- 20dB) | ∆λ | 1 | nm | |||
| Бортовой коэффициент подавления режима | SMSR | 30 | ||||
| Коэффициент вымирания | ER | 8,2 | dB | PRBS 223 - 1+72CID @2.488GBIT/S | ||
| Штраф передатчика и рассеивания | TDP | 1 | dB | Передайте на 20km SMF | ||
| Оптически сила выхода после отключения TX | PDIS | -39 | dBm | |||
| Диаграмма глаза выхода | Уступчивый с ITU-T G.984.2 | |||||
| Отражение передатчика | -10 | dB | ||||
| Характеристики оптически приемника | ||||||
| Параметр | Символ | Минута | Типичный | Макс | Блок | Примечания |
| Диапазон длины волны | λC | 1260 | 1360 | nm | ||
| Чувствительность приемника | SEN | -32 | dBm | Note1 | ||
| Оптически перегрузка потребляемой мощности | SAT | -15 | dBm | Note1 | ||
| Динамический диапазон | 15 | dB | Диаграмма 1 | |||
| Отражение приемника | -15 | dB | ||||
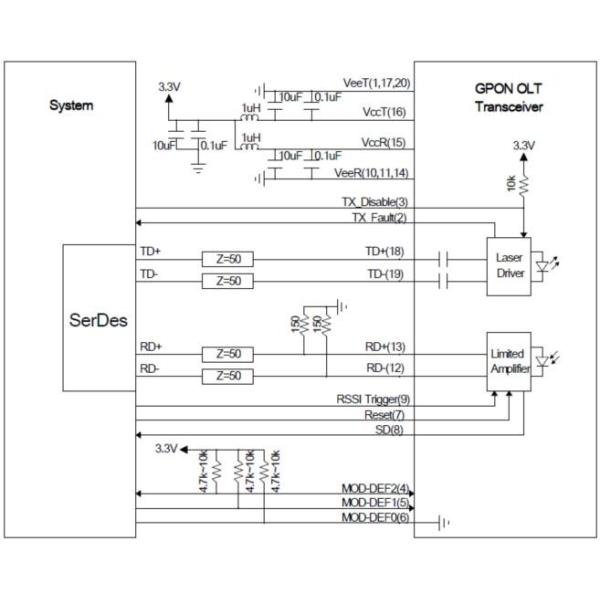
Типичная цепь применения

Распределение памяти EEPROM

Содержание памяти ID EEPROM серийное
Оптически приемопередатчик содержит EEPROM. Он обеспечивает доступ к изощренным данным по идентификации которые описывают возможности приемопередатчика, стандартные интерфейсы, изготовитель, и другую информацию. Когда серийный протокол активирован, хозяин производит серийный сигнал часов (SCL, Mod Def 1). Положительный край хронометрирует данные в те этапы EEPROM которые нет записи защищенной внутри приемопередатчик SFP. Данные по часов отрицательного края от приемопередатчика SFP. Сигнал серийных данных (SDA, Mod Def 2) двухнаправленно для серийной передачи данных. Хозяин использует SDA совместно с SCL для того чтобы отметить начало и конец серийной активации протокола. Памяти организованы как серия 8-разрядных слов данных которым можно обратиться к индивидуально или последовательно.
Модуль обеспечивает диагностическую информацию о присутствующих эксплуатационных режимах. Приемопередатчик производит эти диагностические данные цифрованием внутренних аналоговых сигналов. Тарировка и сигнал тревоги/предупреждая данные по порога написаны во время изготовления прибора. Снабжены полученный контроль силы, переданный контроль силы, контроль тока смещения, контроль подачи напряжения и контроль температуры все. Диагностические данные сырцовые значения A/D и должны быть преобразованы к блокам реального мира используя константы тарировки, который хранят в положениях 56 до 95 EEPROM на адресе A2h автобуса провода серийном. Поля данным по цифрового диагностического распределения памяти специфические определяют как следование.
Упорядочение информации - серия GPON OLT SFP Gigaopto (симплекс SC DFB+APD TX-2.488Gbps/RX-1.244Gbps/TX-1490nm/RX-1310nm)
| P/N | Класс | Сила Tx | Чувствительность Rx | Температура |
| GTS-SGT21-20DCB | B+ | +1.5~+5.0dBm | < -28.0dBm | Com |
| GTS-SGT21-20DIB | B+ | +1.5~+5.0dBm | < -28.0dBm | Ind. |
| GTS-SGT21-20DCC | C+ | +3.0~+7.0dBm | < -30.0dBm | Com |
| GTS-SGT21-20DIC | C+ | +3.0~+7.0dBm | < -30.0dBm | Ind. |
| GTS-SGT21-20DCD | C++ | +4.5~+10.0dBm | < -31.0dBm | Com |
| GTS-SGT21-20DID | C++ | +4.5~+10.0dBm | < -31.0dBm | Ind. |
| GTS-SGT21-20DCE | C+++/D | +6.0~+10.0dBm | < -32.0dBm | Com |
| GTS-SGT21-20DIE | C+++/D | +6.0~+10.0dBm | < -32.0dBm | Ind. |
| Примечание | OEM/ODM поддержало, вы всегда радушно для того чтобы связаться мы. | |||