модуль приемопередатчика 155Mbps 1x9 TX1310nm/RX1550nm BIDI 40km SMF LVPECL PECL SC/ST/FC
Описание
Приемопередатчики серии GT9-S3503-40x GIGAOPTO высокая эффективность, рентабельные модули уступчивые с локальными сетями гигабита и стандарт IEEE-802.3. Приемопередатчик поддерживает тариф данных 155Mbps и дальности передачи 40km с волокном одиночного режима (SMF), работая на нормальной длине волны Tx1310nm и Rx1550nm. Раздел передатчика включает предварительные FP и водителя IC с компенсацией влияния температуры и автоматической функцией регулятора мощности. Раздел приемника включает эффективный фотодиод и transimpedance PIN InGaAs/InP с AGC для широкого динамического диапазона.
Приемопередатчики 1×9 BiDi соответствующие для быстрых дизайнов локальных сетей, SDH STM-1 L-1.1, SONET OC-3 LR-1 и ATM на тарифе данных 155 Mb/s.
Спецификация
| Пакет продукта | 1x9 BiDi | Скорость | 155Mbps |
| Интерфейс | Одиночный SC, FC, ST | Дальность передачи | 40km |
| DDM | Никакой | Тип волокна | Одиночный режим |
| Гарантия | 3 лет | Температура окружающей среды | 0 к 70°C (32 к 158°F) |
| Разбивочная длина волны | TX1310nm/RX1550nm | Напряжение тока электропитания | 3.3V или 5V |
| Паяя температура | <260°C | Поставка настоящая | 250mA |
| Тип передатчика | FP | Приемник | Фотодетектор PIN |
| Сила средней выработки | -10 к -3dBm | RX Sens. | <-35dBm |
| ER | >10dB | Сатурация | >-3dBm |
| Протоколы | ITU-T G.957, STM-1/OC-3, RoHS | ||
Особенности
Тип b: 1550nmTx/1310nmRx
Применение
Упорядочение информации
| Номер детали | Описание |
| GT9-S3503-40C | модуль приемопередатчика 1x9, 155M BiDi TX1310nm/RX1550nm, SC, SMF, 40km, 3.3V/5V, 0 к 70°C |
| GT9-S3503-40CF | модуль приемопередатчика 1x9, 155M BiDi TX1310nm/RX1550nm, FC, SMF, 40km, 3.3V/5V, 0 к 70°C |
| GT9-S3503-40CT | модуль приемопередатчика 1x9, 155M BiDi TX1310nm/RX1550nm, ST, SMF, 40km, 3.3V/5V, 0 к 70°C |
| GT9-S3503-40I | модуль приемопередатчика 1x9, 155M BiDi TX1310nm/RX1550nm, SC, SMF, 40km, 3.3V/5V, -40 к 85°C |
| GT9-S3503-40IF | модуль приемопередатчика 1x9, 155M BiDi TX1310nm/RX1550nm, FC, SMF, 40km, 3.3V/5V, -40 к 85°C |
| GT9-S3503-40IT | модуль приемопередатчика 1x9, 155M BiDi TX1310nm/RX1550nm, ST, SMF, 40km, 3.3V/5V, -40 к 85°C |
| GT9-S3503-40C3 | модуль приемопередатчика 1x9, 155M BiDi TX1310nm/RX1550nm, SC, SMF, 40km, 3.3V, 0 к 70°C |
| GT9-S3503-40CF3 | модуль приемопередатчика 1x9, 155M BiDi TX1310nm/RX1550nm, FC, SMF, 40km, 3.3V, 0 к 70°C |
| GT9-S3503-40CT3 | модуль приемопередатчика 1x9, 155M BiDi TX1310nm/RX1550nm, ST, SMF, 40km, 3.3V, 0 к 70°C |
| GT9-S3503-40I3 | модуль приемопередатчика 1x9, 155M BiDi TX1310nm/RX1550nm, SC, SMF, 40km, 3.3V, - 40 к 85°C |
| GT9-S3503-40IF3 | модуль приемопередатчика 1x9, 155M BiDi TX1310nm/RX1550nm, FC, SMF, 40km, 3.3V, - 40 к 85°C |
| GT9-S3503-40IT3 | модуль приемопередатчика 1x9, 155M BiDi TX1310nm/RX1550nm, ST, SMF, 40km, 3.3V, -40 к 85°C |
| GT9-S3503-40C5 | модуль приемопередатчика 1x9, 155M BiDi TX1310nm/RX1550nm, SC, SMF, 40km, 5V, 0 к 70°C |
| GT9-S3503-40CF5 | модуль приемопередатчика 1x9, 155M BiDi TX1310nm/RX1550nm, FC, SMF, 40km, 5V, 0 к 70°C |
| GT9-S3503-40CT5 | модуль приемопередатчика 1x9, 155M BiDi TX1310nm/RX1550nm, ST, SMF, 40km, 5V, 0 к 70°C |
| GT9-S3503-40I5 | модуль приемопередатчика 1x9, 155M BiDi TX1310nm/RX1550nm, SC, SMF, 40km, 5V, -40 к 85°C |
| GT9-S3503-40IF5 | модуль приемопередатчика 1x9, 155M BiDi TX1310nm/RX1550nm, FC, SMF, 40km, 5V, -40 к 85°C |
| GT9-S3503-40IT5 | модуль приемопередатчика 1x9, 155M BiDi TX1310nm/RX1550nm, ST, SMF, 40km, 5V, -40 к 85°C |
Определение Pin

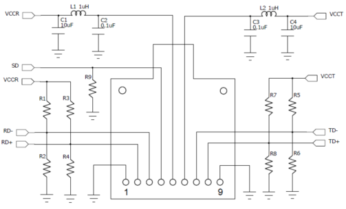
Типичная цепь применения

План пакета
