модуль SMF 20km двухшпиндельное SC/ST/FC LVPECL PECL приемопередатчика 155Mbps 1310nm 1x9
Описание
Приемопередатчики серии GT9-L1303-20x GIGAOPTO однорежимные низкая мощность, модуль высокой эффективности для двухнаправленных серийных оптически передач данных как SONET OC-3/SDH STM-1 и быстрые локальные сети. Этот модуль приемопередатчика серии 1x9 поддерживает дальность передачи до 20km над волокном одиночного режима на номинальной длине волны 1310nm.
Передатчик включает лазер 1310nm FP и цепь водителя которая преобразовывает данные по PECL к светлому сигналу, и приемник включает фотодиод PIN InGaAs/InP преобразовывая светлый сигнал в электрический ток который усилен и регенерирован в данные по PECL совместимые.
Этот приемопередатчик одиночного режима продукт лазера класса 1 который исполняет с IEC 60825.
Спецификация
| Упаковка продукта | 1x9 | Тариф данных (Mb/s) | 155Mb/s |
| Соединитель | Двухшпиндельный SC, FC, ST | Достигаемость | 20km |
| DDM/DOM | Никакой | Средства массовой информации | Волокно одиночного режима |
| Гарантия | 3 лет | Рабочая температура | Реклама 0 к 70°C (32 к 158°F) |
| Разбивочная длина волны | 1310nm | Напряжение тока электропитания | 3.3V или 5V |
| Паяя температура | <260°C | Настоящий | 300mA |
| Тип LD | FP | Фотодетектор | PIN |
| Оптически сила выхода | -15 к -8dBm | Чувствительность | <-34dBm |
| ER | >9dB | Перегрузка | >-3dBm |
| Протоколы | ITU-T G.957 уступчивое | ||
Особенности
Применение
Упорядочение информации
| Номер детали | Описание |
| GT9-L1303-20C | модуль приемопередатчика 1x9, 155Mbps, SC, одиночный режим 1310nm 20km, 3.3V/5V, 0 к 70°C |
| GT9-L1303-20CF | модуль приемопередатчика 1x9, 155Mbps, FC, одиночный режим 1310nm 20km, 3.3V/5V, 0 к 70°C |
| GT9-L1303-20CT | модуль приемопередатчика 1x9, 155Mbps, ST, одиночный режим 1310nm 20km, 3.3V/5V, 0 к 70°C |
| GT9-L1303-20I | модуль приемопередатчика 1x9, 155Mbps, SC, одиночный режим 1310nm 20km, 3.3V/5V, -40 к 85°C |
| GT9-L1303-20IF | модуль приемопередатчика 1x9, 155Mbps, FC, одиночный режим 1310nm 20km, 3.3V/5V, -40 к 85°C |
| GT9-L1303-20IT | модуль приемопередатчика 1x9, 155Mbps, ST, одиночный режим 1310nm 20km, 3.3V/5V, -40 к 85°C |
| GT9-L1303-20C3 | модуль приемопередатчика 1x9, 155Mbps, SC, одиночный режим 1310nm 20km, 3.3V, 0 к 70°C |
| GT9-L1303-20CF3 | модуль приемопередатчика 1x9, 155Mbps, FC, одиночный режим 1310nm 20km, 3.3V, 0 к 70°C |
| GT9-L1303-20CT3 | модуль приемопередатчика 1x9, 155Mbps, ST, одиночный режим 1310nm 20km, 3.3V, 0 к 70°C |
| GT9-L1303-20I3 | модуль приемопередатчика 1x9, 155Mbps, SC, одиночный режим 1310nm 20km, 3.3V, - 40 к 85°C |
| GT9-L1303-20IF3 | модуль приемопередатчика 1x9, 155Mbps, FC, одиночный режим 1310nm 20km, 3.3V, - 40 к 85°C |
| GT9-L1303-20IT3 | модуль приемопередатчика 1x9, 155Mbps, ST, одиночный режим 1310nm 20km, 3.3V, -40 к 85°C |
| GT9-L1303-20C5 | модуль приемопередатчика 1x9, 155Mbps, SC, одиночный режим 1310nm 20km, 5V, 0 к 70°C |
| GT9-L1303-20CF5 | модуль приемопередатчика 1x9, 155Mbps, FC, одиночный режим 1310nm 20km, 5V, 0 к 70°C |
| GT9-L1303-20CT5 | модуль приемопередатчика 1x9, 155Mbps, ST, одиночный режим 1310nm 20km, 5V, 0 к 70°C |
| GT9-L1303-20I5 | модуль приемопередатчика 1x9, 155Mbps, SC, одиночный режим 1310nm 20km, 5V, -40 к 85°C |
| GT9-L1303-20IF5 | модуль приемопередатчика 1x9, 155Mbps, FC, одиночный режим 1310nm 20km, 5V, -40 к 85°C |
| GT9-L1303-20IT5 | модуль приемопередатчика 1x9, 155Mbps, ST, одиночный режим 1310nm 20km, 5V, -40 к 85°C |
Определение Pin

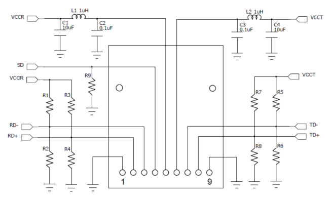
Типичная цепь применения

Примечание 1: Рабочий потенциал: 3.3V или 5V
Примечание 2: 3.3V, R1=R3=R5=R7=130R, R2=R4=R6=R8=82R, R9=270R
Примечание 3: 5V, R1=R3=R5=R7=82R, R2=R4=R6=R8=130R, R9=510R
План пакета
Размеры в миллиметрах. Все размеры ±0.1mm если не указано иное. (Блок: mm)
