Мотор сервопривода высокой эффективности выхода вращающего момента b класса изоляции ES60 200W постоянн
ES60 200W имеет преимущество высокой эффективности и тихой деятельности. Работая температура 0℃~+55℃ и должна сохранить в окружающей среде 90%RH (отсутствие конденсации) над уровнем моря 1000m. Мотор имеет стандартную скорость 3000 rpm под 310V и расклассифицированный вращающий момент 0.64NM, пик на 1,92 Nm. Между тем, расклассифицированное течение 1.6A.
| Модель ES 60 -310V (никакой тормоз) | |||||||
| Расклассифицированная сила | Максимальная радиальная сила | Максимальная осевая сила | Вес | Тип вала | Диаметр вала | Прибор обратной связи | Нет поляков |
| 200W | 180N | 90N | 1kg | Ключевой вал | φ14 | бит 17 | 8 поляков |
| 400W | 180N | 90N | 1.9kg | Ключевой вал | φ14 | 2500ppr | 10 поляков |
Электрическая спецификация
|
Название продукта:
|
Мотор сервопривода
|
|
Расклассифицированная сила (w)
|
200
|
|
Проектная скорость (RPM)
|
3000
|
|
Напряжение тока (VDC)
|
310
|
|
Расклассифицированное настоящее (a)
|
1,6
|
|
Расклассифицированный вращающий момент (N.m)
|
0,64
|
|
Пиковый вращающий момент (N.m)
|
1,92
|
|
Задняя константа EMF (V/Krpm)
|
32
|

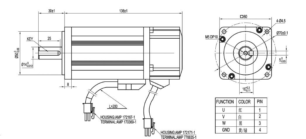
Монтажная схема
| Функция | Цвет | PIN |
| U | КРАСНЫЙ ЦВЕТ | 1 |
| V | БЕЛЫЙ | 2 |
| W | BLK | 3 |
| GND | YEL/GRE | 4 |
| Тип | 60 | ||
| Сила | 200W | 400W | |
| Кодировщик | |||
|
Вес |
0,98 | 1,28 | |
| B | 1,35 | ||
| L | 1,05 | 1,42 | |
| N | 0,86 | ||
| Тип | 60 | ||
| Сила |
200W |
400W | |
| Кодировщик | |||
| L (mm) |
101 | 121 | |
| B | 136 | ||
| L | 116 | 136 | |
| N | 81 | ||
Примечание: , B, l, n ссылается на различный кодировщик.
Кодировщик абсолютной величины 17 одно-поворота A= tamagawa сдержанный
Кодировщик B=incremental 2500ppr оптически
Кодировщик абсолютной величины 17 мульти-поворота L=tamagawa сдержанный
Бит абсолютной величины 24 мульти-поворота N=Nikon
Применения моторов сервопривода
Сервомоторы использованы в применениях требуя быстрых изменений в скорости без мотора получая перегреты.
В индустриях они использованы в механических инструментах, упаковывая, автоматизации фабрики, погрузо-разгрузочной работе, печатании преобразовывая, сборочных конвейерах, и робототехнике много другой требовательной применений, машинном оборудовании CNC, или автоматизированном производстве.

Моторы Changzhou Hetai опытный изготовитель мотора. На больше чем 20 лет, Hetai предназначает для того чтобы обеспечить профессиональные электрические стратегии дизайна и автоматизации интеграции для клиентов. Мы имеем переменное технологическое оборудование, как сборочный конвейер, автоматический цилиндрический точильщик, и центры CNC подвергая механической обработке также.
Основанный на всех этих преимуществах, наша компания специализирует в произведении гибридных шагая моторов, моторов DC безщеточных, моторов сервопривода, моторов коробки передач, и так далее. Продукты приложены в роботах, пакуя машинном оборудовании, машинном оборудовании ткани, медицинских инструментах, машинном оборудовании печатания, умном оборудовании снабжения… Hetai также отправляет свои продукты в США, Европу, Юго-Восточную Азию, и все-вокруг Китая.

Производственный процесс Hetai

