42BLF05A мотор 24V 0,15 N.m DC NEMA 17 мини безщеточный с ISO CE ROHS
Количество участков: 3
Количество поляков: 8
Скорость вращения на холостом ходе: 3800±10% RPM
Течение нулевой нагрузки: 0.5A максимальное
МАКСИМАЛЬНАЯ радиальная сила: 28N (10mm от переднего фланца)
МАКСИМАЛЬНАЯ осевая сила: 10N
Серия 42BLF один из самых регулярных безщеточных моторов приложенных в индустрии автоматизации.
Электрическая спецификация:
| Модель | ||
| Спецификация | Блок | 42BLF05A |
| Расклассифицированное напряжение тока | VDC | 24 |
| Проектная скорость | Rpm | 2700 |
| Расклассифицированное течение | 0,5 | |
| Расклассифицированный вращающий момент | N.m | 0,15 |
| Расклассифицированная сила | W | 40 |
| Пиковый вращающий момент | N.m | 0,45 |
| Константа вращающего момента | N.m/A | 0,06 |
| Задняя константа EMF | V/kRPM | 6,3 |
| Длина тела | mm | 56 |
| Вес | Kg | 0,60 |
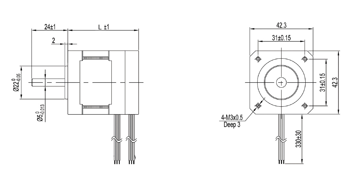
Механический размер

*Products могут соответствовать коробке передач 36,42mm
Монтажная схема
| ФУНКЦИЯ | ЦВЕТ | |
| +5V | КРАСНЫЙ ЦВЕТ | UL1007 26AWG |
| ЗАЛА A | ЖЕЛТЫЙ ЦВЕТ | |
| HALLB | ЗЕЛЕНЫЙ ЦВЕТ | |
| HALLC | СИНЬ | |
| GND | ЧЕРНОТА | |
| УЧАСТОК A | ЖЕЛТЫЙ ЦВЕТ | UL3265 22AWG |
| УЧАСТОК B | ЗЕЛЕНЫЙ ЦВЕТ | |
| УЧАСТОК C | СИНЬ |
В производстве, безщеточные моторы главным образом использованы для систем контроля за движением, располагать или возбуждения. Безщеточные моторы идеально одеты для изготовляя применений из-за их плотности наивысшей мощности, хороших зависимостей скорости вращения от момента, высокой эффективности, широких рядов скорости и низкого обслуживания.