Серводвигатель состоит из:
Электродвигатель: Отвечает за создание движения через свой вал.
Система управления: Эта система позволяет управлять движением двигателя, отправляя электрические импульсы.
Система привода: Она состоит из шестерен, которые могут увеличивать или уменьшать скорость и крутящий момент.
Потенциометр: Он подключен к центральному валу и постоянно информирует об угле, в котором расположен вал двигателя.
Электрические характеристики сервопривода Двигатель
Серводвигатель 24 В
|
Номинальное напряжение (В)
|
24
|
|
Номинальная мощность (Вт)
|
750
|
|
Модель
|
ES8005K-75S30M1
|
|
Номинальный ток (А)
|
40
|
|
Номинальная скорость (об/мин)
|
3000
|
|
Номинальный крутящий момент (Нм)
|
2.38
|
|
Максимальный крутящий момент (Нм)
|
7.14
|
|
Константа крутящего момента (Нм/А)
|
0.057
|
|
Момент инерции ротора (кг.см2)
|
1.51*10-4
|
|
Сопротивление линия-линия (Ом)
|
0.03
|
|
Индуктивность линия-линия (мГн)
|
0.20
|
Серводвигатель 48 В
|
Номинальное напряжение (В)
|
48
|
|
|
Номинальная мощность (Вт)
|
750
|
1000
|
|
Модель
|
ES8005G-75S30A1
ES8005G-75S30B2
|
ES8005G-100S30A1
ES8005G-100S30B2-002
|
|
Номинальный ток (А)
|
25
|
33
|
|
Номинальная скорость (об/мин)
|
3000
|
3000
|
|
Номинальный крутящий момент (Нм)
|
2.4
|
3.2
|
|
Максимальный крутящий момент (Нм)
|
7.2
|
9.6
|
|
Константа крутящего момента (Нм/А)
|
0.1
|
0.115
|
|
Момент инерции ротора (кг.см2)
|
1.51*10-4
|
2.5*10-4
|
|
Сопротивление линия-линия (Ом)
|
0.07
|
0.03
|
|
Индуктивность линия-линия (мГн)
|
0.60
|
0.30
|


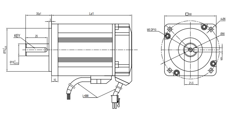
Длина и вес
|
Тип
|
80
|
|||
|
Энкодер
|
Мощность
|
|||
|
750 Вт
|
1000 Вт
|
|||
|
Длина
(мм)
|
Однооборотное абсолютное значение (Tamagawa)
|
Без тормоза
|
125±1
|
140±1
|
|
С тормозом
|
163±1
|
178±1
|
||
|
Многооборотное (Tamagawa)
|
Без тормоза
|
141±1
|
156±1
|
|
|
С тормозом
|
179±1
|
194±1
|
||
|
Инкрементный 2500ppr
(Оптический энкодер) |
Без тормоза
|
141±1
|
156±1
|
|
|
С тормозом
|
179±1
|
194±1
|
||
|
Вращающийся трансформатор
|
Без тормоза
|
125±1
|
140±1
|
|
|
С тормозом
|
163±1
|
178±1
|
||
|
Многооборотное абсолютное значение Nikon
|
Без тормоза
|
125±1
|
140±1
|
|
|
С тормозом
|
163±1
|
178±1
|
||
|
Тип
|
80
|
|||
|
Энкодер
|
Мощность
|
|||
|
750 Вт
|
1000 Вт
|
|||
|
Вес
(кг)
|
Однооборотное абсолютное значение (Tamagawa)
|
Без тормоза
|
2.42
|
3.00
|
|
С тормозом
|
3.50
|
4.00
|
||
|
Многооборотное (Tamagawa)
|
Без тормоза
|
2.42
|
3.00
|
|
|
С тормозом
|
3.50
|
4.05
|
||
|
Инкрементный 2500ppr
(Оптический энкодер) |
Без тормоза
|
2.43
|
3.00
|
|
|
С тормозом
|
3.50
|
4.06
|
||
|
Вращающийся трансформатор
|
Без тормоза
|
2.63
|
3.20
|
|
|
С тормозом
|
3.70
|
4.27
|
||
|
Многооборотное абсолютное значение Nikon
|
Без тормоза
|
2.37
|
2.93
|
|
|
С тормозом
|
3.43
|
4.00
|
||

Ассортимент продукции Hetai
Наша основная продукция - шаговые двигатели, планетарныередукторы и мотор-редукторы, бесщеточныедвигатели постоянного тока, серводвигатели.ChangZhou Hetai Motors - опытный производитель двигателей. Более 20 лет Hetai посвящает себя предоставлению профессионального проектирования электрической интеграции и стратегий автоматизации для клиентов. У нас есть различное производственное оборудование, такое как сборочная линия, автоматическая цилиндрическая шлифовальная машина и обрабатывающие центры с ЧПУ.

Серводвигатель HeTai

Сборочная линия серводвигателей


Аппарат лазерной сварки

Hetai стремится предоставлять высококачественное, всестороннее послепродажное обслуживание. Стремимся к постоянному совершенствованию и превосходству. Если у вас есть какие-либо вопросы, вы будете на связи 24 часа в сутки, поэтому у вас нет никаких забот.

Заглядывая в будущее, мы будем усердно работать, чтобы создавать с хорошим отношением и серьезным отношением, решать задачи современных высоких технологий и продолжать расширять наши области бизнеса, чтобы делиться достижениями технологии автоматизации с большим количеством клиентов!
Патентный сертификат Hetai
