мотор высокой эффективности nema23 поставки 57mm изготовления 3V 3A 13.5kg.cm сразу гибридный stepper
Разница между stepper мотором и мотором сервопривода
1. Различные методы контроля
Stepper мотор: Угол вращения проконтролирован путем контролировать число ИМПов ульс, и один ИМП ульс соответствует до один угол шага.
Мотор сервопривода: контролируйте угол вращения путем контролировать длину времени ИМПа ульс.
2. Различный поток операций
Stepper мотор: Поток операций вообще, 2 ИМПа ульс необходим для работы stepper мотора: ИМП ульс сигнала и ИМП ульс направления.
Мотор сервопривода: Свой поток операций переключатель соединения силы, и после этого соединяет мотор сервопривода.
3. Различные низкочастотные характеристики
Stepper мотор: низкочастотная вибрация прональна для того чтобы произойти на малой скорости.
Мотор сервопривода: бежит очень ровно и не вибрирует даже на малой скорости.
4. Различные характеристики момент-частоты
Stepper мотор: Вращающий момент выхода уменьшает с увеличением скорости, и он упадет остро на более высокую скорость, поэтому максимальная работая скорость вообще 300 | 600r/min.
Мотор сервопривода: Постоянн выход вращающего момента, т.е., в пределах своей проектной скорости (вообще 2000 или 3000 r/min), оно выводит наружу расклассифицированный вращающий момент, и над проектной скоростью, выход постоянной мощности.
5. Различная емкость перегрузки
Stepper моторы: вообще не имейте емкость перегрузки.
Мотор сервопривода: имеет сильную емкость перегрузки.
Электрическая спецификация гибридного Stepper мотора
|
Название продукта
|
Гибридный Stepper мотор
|
|
Точность шага
|
± 5%
|
|
Диэлектрическая прочность
|
500V AC 1minute
|
|
Температура окружающей среды
|
-20℃~50℃
|
|
Сопротивление изоляции
|
DC 100MΩ Min.500V
|
|
Угол шага
|
1.8°
|
|
Подводящий провод
|
6
|
|
Напряжение тока (v)
|
3,0
|
|
Настоящий (A/Phase)
|
3,0
|
|
Держащ вращающий момент (Kg.cm)
|
13,5 Kg.cm
|
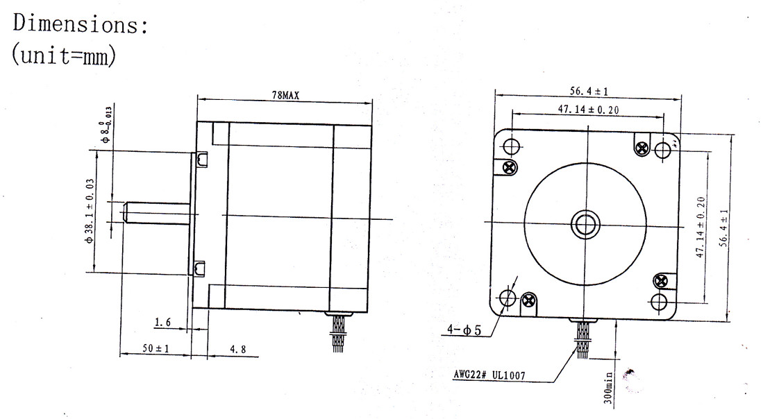
Механический размер гибридного Stepper мотора

Ряд рынка Hetai

Hetai также отправляет свои продукты в США, Европу, Юго-Восточную Азию, и все-вокруг Китая.
Клиенты Hetai

Разнообразие типы stepper моторов доступны для вас выбрать, изготовление на заказ поддержки.

Вид продукции Hetai
Наши главные продукты Stepper мотор, планетарный мотор коробки передач Gearbox&, безщеточный мотор DC, мотор сервопривода.

Моторы ChangZhou Hetai опытный изготовитель мотора. На больше чем 20 лет, Hetai предназначает для того чтобы обеспечить профессиональные электрические стратегии дизайна и автоматизации интеграции для клиентов. Мы имеем переменное технологическое оборудование, как сборочный конвейер, автоматический цилиндрический точильщик и центры CNC подвергая механической обработке также.
Коробка передач уменьшения Hetai



Центр CNC
Packing&Delivery


Строго palletizing и упаковывающ для обеспечения что мотор будет поставлен к клиенту в хорошем состоянии
Сертификат CE
