NEP универсальный высокоэффективный двигатель TEFC NEMA для вентиляторов,духов, насосов, конвейеров, дробил, компрессоров, смесителей
Обзор продукции
Всецельные высокоэффективные двигатели идеально подходят для широкого спектра промышленных применений, включая вентиляторы и вентиляторы, насосы, конвейеры, дробилки, компрессоры, смесители и многое другое.конструкция из жесткого чугуна TEFC, и двойной номинальной 190/380V 50Hz с 2-летней гарантией,
Особенности:
1Нагрузка инвертора: 5:1CT & 10:1VT
2Фактор обслуживания: 1.15
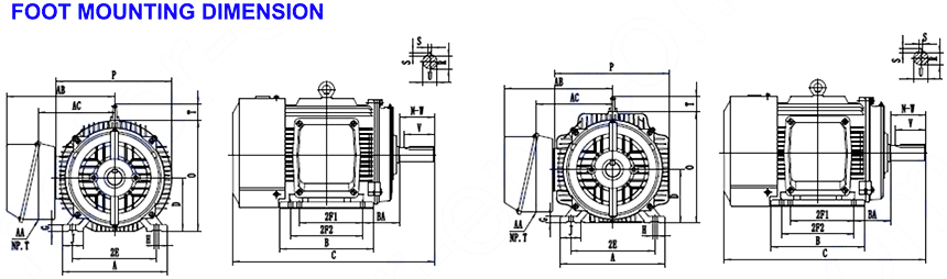
3Дизайн:
4Степень защиты: IP55
5. Облицовка: TEFC жесткая рамка из чугуна
6. VPI применяется для лучших электрических характеристик
7. Коррозионностойкое эпоксидное покрытие
8. F1 / F2 Cabrio
9- Сверхразмерные подшипники с обоих концов (444T и выше)
10. 230/460В 60Гц, используемые при 208В (только от 444В и выше до 460В)
11Двойная мощность 190/380В 50Гц
12Подходит для запуска Y/delta и запуска с частичной обмоткой
13Двойные ноги.
14. Изоляция класса F с подъемом ниже класса B
15Сертификат CSA-US, одобрение DOE, маркировка CE
Факультативные характеристики:
Различные модификации электродвигателя доступны в нашем центре модификации, включая нестандартные напряжения.
b. Фланцы, подшипники.
c. Детские подушки.
d. Более высокий коэффициент обслуживания.
e. Капельные крышки.
f. Отапливатели помещений и др.


Каждая серия двигателей

Наша служба послепродажи

Опаковка продукта

Сертификации
