Колесо вращающего момента Poclain MS18 низкоскоростное высокое/мотор вала гидравлический увеличивать срок службы
Особенности:
Гидравлический мотор поршеня MS18:
Мотор низкоскоростного большого вращающего момента гидравлический,
Радиальный тип поршеня,
Примите импортированное уплотнение подшипника и масла,
Модульное проектирование, высокая эффективность, высокое давление и плавный ход даже на очень малых скоростях,
Допустимое радиальное и аксиальная нагрузка, мотор с тормозом мульти-диска, контролем излучения мотора.
Диаграмма смещения:
| Тип | MS18-8 | MS18-9 | MS18-0 | MS18-1 | MS18-2 | |||||
| Смещение (ml/r) | Полный | Semi | Полный | Semi | Полный | Semi | Полный | Semi | Полный | Semi |
| 1395 | 697 | 1571 | 785 | 1747 | 873 | 1911 | 955 | 2099 | 1049 | |
| Максимальная сила (kw) | 62 | 42 | 62 | 42 | 62 | 42 | 62 | 42 | 62 | 42 |
|
Несоответствие давления вращающий момент 10MPa (N. m) |
2085 | 1022 | 2348 | 1151 | 2611 | 1279 | 2856 | 1400 | 3137 | 1537 |
| Расклассифицированный вращающий момент (N. m) | 5212 | 5870 | 6528 | 7140 | 7843 | |||||
| Расклассифицированное давление (MPa) | 25 | 25 | 25 | 25 | 25 | |||||
| Максимальное давление (MPa) | 40 | 40 | 40 | 35 | 35 | |||||
| Проектная скорость (r/min) | 55 | 55 | 55 | 55 | 50 | |||||
| Ряд скорости (r/min) | 0-150 | 0-150 | 0-150 | 0-135 |
0-125 |
|||||
Применения:
Машинное оборудование Consturction: Затяжелитель Backhoe, взрывозащищенное Fprklift, грузоподъемник
Машинное оборудование минирования: Мини заголовок дороги, сверхмощный вручая автомобиль, сверло угольной шахты
Морское машинное оборудование: Wildlass, кран


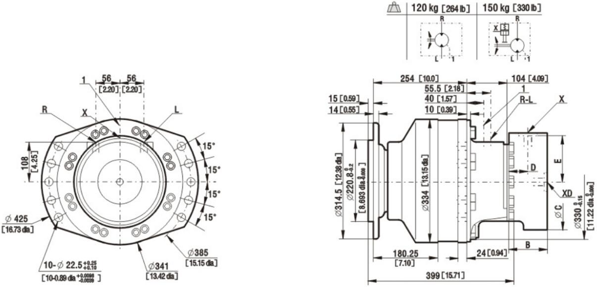
Размер соединения MS18

Испытательные комплексы высокой точности и опытные контролеры.
