NJM2885 JRC РЕГУЛЯТОР НАПРЯЖЕНИЯ С НИЗКИМ ПАДЕНИЕМ NJM2885DL1-03 Регулятор напряжения с малым падением напряжения, разработанный для портативного применения
Описание:
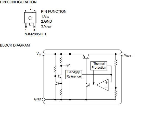
NJM2885 — это стабилизатор напряжения с малым падением напряжения, разработанный для портативного применения.
Усовершенствованная биполярная технология обеспечивает низкий уровень шума, высокое подавление пульсаций и низкий ток покоя.
ОСОБЕННОСТИ
z Высокое подавление пульсаций 75 дБ тип.(f = 1 кГц, Vo = 3 В версия)
z Шумовое напряжение на выходе Vno=45 мкВ среднеквадратичное тип.
z Выходной конденсатор с керамическим конденсатором 2,2 мкФ (Vo≥2,7 В)
z Выходной ток Io (макс.) = 500 мА
z Высокоточный выход Vo ± 1,0%
z Низкое падение напряжения 0,18 В тип.(Io=300 мА)
z Ограничение тока внутреннего короткого замыкания
z Внутренняя тепловая защита от перегрузки
z Биполярная технология
z Схема упаковки TO-252-3

