LTV-817/827/847 серий LTV liton-на Photocoupler SMD - выходе транзистора оптической электроники LITEON светоэлектрическом
LTV-817/827/оптическая электроника photocoupler-LITEON 847 (m, s, S-TA, S-TA1, S-TP) серий
Серия Photocoupler LTV-8x7 liton-на Photocoupler SMD - выходе транзистора светоэлектрическом
LTV-816S-TA1-C LTV-217-C LTV357T-B LTV-356T-C
LTV-1008-TP1-G
LTV-1008-TP-G
LTV-1009-TP-G
LTV-214-B-G
LTV-217-B-G
LTV-217-C-G
LTV-217-TP1-B-G
Применения:
Гибридные субстраты которые требуют установки высокой плотности.
Programmable регуляторы
ОПИСАНИЕ:
1,1 особенности
? Отношение выходного тока к току на входе (CTR: МИНИМАЛЬНОЕ 50% на ЕСЛИ = 5mA, VCE = 5V), то
? Высокое напряжение тока изоляции вход-выхода (Viso = 5,000Vrms)
? Время на ответ (tr: ТИП. 4µs на VCE = 2V, IC = 2mA, RL = 100Ω)
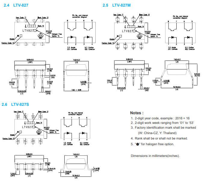
? Двойн-в-линия пакет:
LTV-817: 1 тип канала
LTV-827: тип канала 2
LTV-847: тип канала 4
? Широкий пакет дистанционирования руководства:
LTV-817M: 1 тип канала
LTV-827M: тип канала 2
LTV-847M: тип канала 4
? Пакет поверхностный устанавливать:
LTV-817S: 1 тип канала
LTV-827S: тип канала 2
LTV-847S: тип канала 4
? Упаковка ленты и вьюрка:
LTV-817S-TA: 1 тип канала
LTV-817S-TA1: 1 тип канала
LTV-817S-TP: 1 тип канала
LTV-827S-TA: тип канала 2
LTV-827S-TA1: тип канала 2
? Утверждение безопасности
UL 1577
DIN EN60747-5-5 VDE (VDE 0884-5)
CSA CA5A
CQC GB4943.1-2011/GB8898-2011 (высота до 5000m встречи)
Нордическая безопасность (FIMKO/NEMKO/SEMKO/DEMKO)
BSI
? Соответствие RoHS
Все материалы были использованы в приборе следовать директива ЕС RoHS (номер 2011/65/EU).
? Пропуск HBM 8000V/MM2000V ESD
? MSL class1
| АТРИБУТ | ОПИСАНИЕ |
|---|---|
| Состояние RoHS | ROHS3 уступчивое |
| Уровень чувствительности влаги (MSL) | 1 (неограниченный) |
| ECCN | EAR99 |
| HTSUS | 8541.40.8000 |








Больше номера детали:
LTV-1008-TP1-G
LTV-1008-TP-G
LTV-1009-TP-G
LTV-214-B-G
LTV-217-B-G
LTV-217-C-G
LTV-217-TP1-B-G
Спецификации:
|
Категория
|
Амортизатор-электронно-оптическая муфта (PHOTOCOUPLER)
|
| Семья |
Optoisolators - выход логики
|
|
Mfr
|
Lite-на Inc.
|
|
Низкопробный номер детали
|
LTV-817/827/847
|
|
Пакет
|
Tube/REEL
|
|
Состояние части
|
Активный
|
|
Пакет прибора поставщика
|
ОКУНИТЕ SMD
|