Генератор теста напряжения тока импульса IEC60255-5
Параметры:
| Напряжение тока выхода | 12kV (Макс) ±5% | |
|
Время wavefront импульса:
|
1.2μs ±30% | |
| Полуценный после времени волны | 50μs ±20% | |
| Емкость | 0.8U | |
| Полярность выхода | Положительный, отрицательный, положительный и отрицательный цикл | |
| Сопротивление выхода (опционное) | 2Ω, 500Ω±10% | 12Ω, 500Ω±10% |
| Режим удара | Автоматический или ручной | |
| Циклы удара | 1-9999 | |
| Время интервала удара | 3-999s (3s чего своиственное поручать время прибора) | |
| Источник питания | AC220±10%, 50/60Hz | |
| Размер | 470mm×260mm×500mm | |
| Вес | 30kg | |
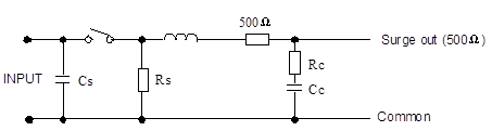
Схема эквивалентности генераторного агрегата ИМПа ульс:

Волна напряжения тока определения формы волны выхода
Время ведущей кромки: T1=1.67T=1.2μs±30%
Полупиковое время: T2=50μs±20%

Применение:
Тестер HJ0602 напряжения тока импульса изготовлен в соответствии с IEC60255-5 «тестом изоляции электрических реле» обнародованным международной электротехнической комиссией (IEC), измеряя координацию изоляции реле и защитных приспособлений, и выполняя тесты напряжения тока импульса.
Особенность:
интерфейс LCD касания 7-inch, богачи в функциях, легких для того чтобы работать, легких для того чтобы модернизировать программное обеспечение
Умное programmable высоковольтное электропитание, встроенное высокое напряжение над напряжением тока, над предохранением от течения и короткого замыкания
Обнаружение выхода умное, ошибка напряжения тока, отсутствие предупреждения выхода