механический переключатель оптического волокна 1xN
Введение
Механический переключатель оптического волокна, который известен для своих высокой эффективности, низкой вносимой потери, и компактного размера. Идеальный компонент для OADM, OXC, системного контроля, и защиты. С компактным пакетом, может быть легко интегрировать в систему оптической связи высокой плотности. Оно не повлиян на поляризацией и длиной волны. Оно поддерживает все длины волны на 850nm и 1260nm~1650nm.
Особенность
· Низкая вносимая потеря
· Широкий диапазон длины волны
· Низкая помеха
· Высокая стабильность, высокая надежность
· свободный от Эпоксидн на оптически пути
· Запирать на задвижку и Не-запирать на задвижку
Применение
1. НИОКР в лаборатории
2. Системный контроль
3. OADM
4. ЧЕЛОВЕК (городская сеть)
| Параметры | Блок | OSW1×N | |||||
| Вносимая потеря | dB | 1<N ≤ 32 | 32<N ≤ 64 | 64<N ≤ 128 | |||
| Тип: 0,6 Макс: 0,8 | Тип: 0,8 Макс: 1,0 | Тип: 0,8 Макс: 1,2 | |||||
| Диапазон длины волны | nm | 850±40/1300±40 1550 | 1260 | 1650 | ||||
| Длина волны теста | nm | 850/1300, 1550 | 1310/1550 | ||||
| Потеря возвращения | dB | ≥ 30 MM ≥ 50 SM | |||||
| Помеха | dB | ≥ 70 | |||||
| PDL | dB | ≤0.05 | |||||
| WDL | dB | ≤0.25 | |||||
| Повторимость | dB | ≤±0.05 | |||||
| Рабочий потенциал | V | 3,0 или 5,0 | |||||
| Стойкость | Циклы | ≥ 10 миллионов | |||||
| Переключая время | госпожа | ≤10 (смежный канал) | |||||
| Оптически сила | mW | ≤500 | |||||
| Рабочая температура | ℃ | -10 | +70 | |||||
| Температура хранения | ℃ | -40 | +85 | |||||
| Относительная влажность | % | 5 | 95 | |||||
| Вес | g | 14 | |||||
| Размер | mm | 135×40×32 (N≤12) | 135×60×32 (N ≤18) | 135×60×38 (N≤32) | |||
| 150×80×67 (N≤64) | 165×100×100 (N≤98) | 185×130×130 (N≤128) | |||||
|
Примечание: 1 в пределах рабочей температуры и SOP. 2 исключая соединителя. |
|||||||
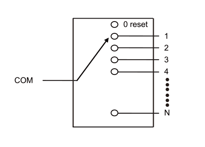
Оптически маршрут

Размер

Электрическая спецификация
| Спецификации | Напряжение тока | Настоящий | Сопротивление |
| запирать на задвижку 5V | 4.5~5.5 v | 36~44 мамы | 125 Ω |
| не-запирать на задвижку 5V | 4.5~5.5 v | 26~32 мамы | 175 Ω |
| запирать на задвижку 3V | 2.7~3.3 v | 54~66 мам | 50 Ω |
| не-запирать на задвижку 3V | 2.7~3.3 v | 39~47 мам | 70 Ω |