переключатель оптического волокна обхода 2x2B механический
Введение
Оптически переключатель, который известен для своих высокой эффективности, низкой вносимой потери и компактного размера. Идеальный компонент для OADM, OXC, системного контроля и защиты. С компактным пакетом, может быть легко интегрировать в систему оптической связи высокой плотности.
Особенность
· Низкая вносимая потеря
· Широкий диапазон длины волны
· Низкая помеха
· Высокая стабильность, высокая надежность
· свободный от Эпоксидн на оптически пути
· Запирать на задвижку и Не-запирать на задвижку
Применение
1. НИОКР в лаборатории
2. Системный контроль
3. OADM
4. ЧЕЛОВЕК (городская сеть)
| Параметры | Блок | 2×2B | |
| Диапазон длины волны | nm | 850±40/1300±40 | 1260 | 1650 |
| Длина волны теста | nm | 850 / 1300 | 1310 / 1550 |
| Вносимая потеря 1, 2 | dB | Тип: 0,6 Макс: 1,0 | Тип: 0,6 Макс: 1,0 |
| Возвратите потерю 1, 2 | dB | ≥ 30 MM ≥ 50 SM | |
| Помеха 1 | dB | ≥ 35 MM ≥ 55 SM | |
| PDL | dB | ≤0.05 | |
| WDL | dB | ≤0.25 | |
| Повторимость | dB | ≤±0.02 | |
| Рабочий потенциал | V | 3,0 или 5,0 | |
| Стойкость | Циклы | ≥ 10 миллионов | |
| Переключая время | госпожа | Тип: 3 Макс: 8 | |
| Оптически сила | mW | ≤500 | |
| Рабочая температура | ℃ | -20 | +70 | |
| Температура хранения | ℃ | -40 | +85 | |
| Относительная влажность | % | 5 | 95 | |
| Вес | g | 14 | |
| Размер | mm | (L) 27.0× (W) 12.0× (H) 8,2 ±0.2 | |
|
Примечание: 1 в пределах рабочей температуры и SOP. 2 исключая соединителя. |
|||
Оптически маршрут
| Государство a | Государство b |
|
|
![]() |
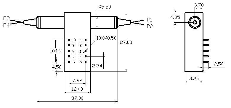
Размер

Электрическая спецификация
| Спецификации | Напряжение тока | Настоящий | Сопротивление |
| запирать на задвижку 5V | 4.5~5.5 v | 36~44 мамы | 125 Ω |
| не-запирать на задвижку 5V | 4.5~5.5 v | 26~32 мамы | 175 Ω |
| запирать на задвижку 3V | 2.7~3.3 v | 54~66 мам | 50 Ω |
| не-запирать на задвижку 3V | 2.7~3.3 v | 39~47 мам |
70 Ω
|
Конфигурации Pin
| Тип | Государство | Оптически маршрут | Электрический привод | Датчик состояния | ||||||
| 2×2B | Pin 1 | Pin 5 | Pin 6 | Pin 10 | Pin 2-3 | Pin 3-4 | Pin 7-8 | Pin 8-9 | ||
| Запирать на задвижку | P1-P3 | -- | -- | GND | V+ | Конец | Раскройте | Раскройте | Конец | |
| B | P1-P4, P2-P3 | V+ | GND | -- | -- | Раскройте | Конец | Конец | Раскройте | |
| Не-запирать на задвижку | P1-P3 | -- | -- | -- | -- | Конец | Раскройте | Раскройте | Конец | |
| B | P1-P4, P2-P3 | V+ | -- | -- | GND | Раскройте | Конец | Конец | Раскройте | |