Сигнал энкодера Интегрированное электрическое токосъемное кольцо в сборе с несколькими каналами
ECN000-84P представляет собой токосъемное кольцо, интегрированное в энкодер CENO, с многоканальными автоматическими промышленными приложениями. За последние двадцать лет CENO произвела около 5000 конструкций.Большинство этих продуктов разработаны для суровых условий и жестких требований, например, интегрированное токосъемное кольцо Encoder, типичные области применения включают электрооптические системы, инженерное оборудование, судовые краны, морское оборудование или бурение нефтяных скважин.Большинство параметров, таких как каналы, цепи, степень защиты, установка и встроенные сигналы, являются необязательными.Более подробную информацию, пожалуйста, свяжитесь с нами.
Функции
Приложения
Необязательный
Спецификация
|
ECN000-84P |
Спецификация |
| Ток и цепи | 8 контуров*25А;8 контуров*15А;16 контуров*10А;29 контуров*5А;8 контуров*2А;2 цепи*1А;2Group*Сигнал энкодера |
| Номинальное напряжение | 0~380В переменного/постоянного тока |
| Диэлектрическая прочность |
≥1500 В переменного тока при 50 Гц ≥500 В переменного тока при 50 Гц |
| Сопротивление изоляции |
≥500 МОм при 500 В постоянного тока ≥100 МОм при 300 В постоянного тока |
| Электрический шум | 30 мОм (50 об/мин) |
| Контактный материал | Драгоценный металл / золото к золоту |
| Материал корпуса | Алюминиевый сплав |
| Рабочая температура | -20°К~+60°К |
| Рабочая влажность | 60 % относительной влажности |
| Степень защиты IP | IP54 |
| Рабочая скорость | 0~300об/мин |
|
Длина подводящего провода |
Ротор: 1500 мм;Статор: 3000 мм |
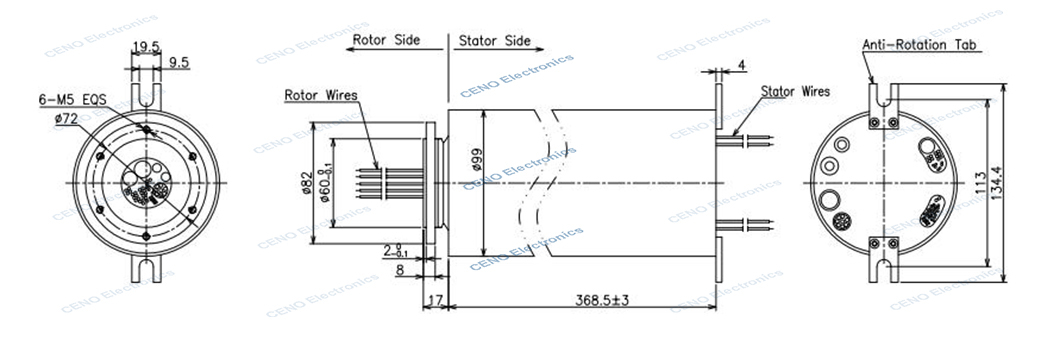
| Внешний диаметр | Ø99мм |
Контурный рисунок

Почему с СЕНО
CENO является одной технологической компанией в области токосъемных колец, которая занимается исследованиями и разработками, производством и продажами. У нас есть современное оборудование и высокоточные контрольно-измерительные приборы для обеспечения качества продукции и надежной работы. Производственная площадь составляет 3000 квадратных метров и расположена в Шэньчжэне, Китай.

Сертификация
ISO9001,CE,RoHS,UL,взрывозащищенный

Преимущество СЕНО
Член инженерной группы имеет более чем 10-летний опыт работы в области токосъемных колец. Все операторы, работающие над критическими процедурами, прошли внутреннее обучение.

Сервис CENO предоставляет
24 часа, 7 дней консультационная служба.
Массовое и индивидуальное производство.
Предлагаемое решение для системы вращения на 360°.
Добро пожаловать, чтобы проконсультироваться с нами по вашим запросам на любую систему вращения на 360 °. Мы предоставим вам комплексное обслуживание и своевременно ответим на ваши запросы.