Интегрированное воздушное скольжение кольцо с 1000M Ethernet Сигнал Пневматический вращающийся союз
QCN0203-04P2-25S-01EG - это новый продукт CENO с интегрированным скользящим кольцом, который сочетает в себе электрическую энергию, сигналы Ethernet и одноканальный пневматический для промышленной автоматической системы.Интегрированный пневматический / гидравлический кольцо скольжения предотвращает трубы обмотки проблемы хорошоКак компетентный партнер для индивидуальных вращающихся соединений,большинство интегрированных скользящих колец изделий CENO могут быть изменены для удовлетворения конкретных требований.Для получения дополнительной информации, пожалуйста, свяжитесь с нами.
Особенности
Заявления
Необязательно
Спецификация
| Ток и схемы | 4 схемы*10A; 25 схемы*5A; 1 схема*Гигабитный сигнал Ethernet |
| Номинальное напряжение | 0 ~ 24 VAC/VDC |
| Диэлектрическая прочность | ≥ 300VAC@50Hz |
| Сопротивление изоляции | ≥ 100MΩ@100VDC |
| Диапазон волн контактного сопротивления | ≤ 30 мΩ (50 оборотов в минуту) |
| Ротационный момент | ≤3N*m |
| Контактный материал | Драгоценный металл |
| Материал для жилья | SUS 316 |
| Рабочая температура | -20°C~+60°C |
| Рабочая влажность | 0 ~ 95% |
| Степень защиты | IP54 |
| Операционная скорость | 0 ~ 10 оборотов в минуту |
| Размер свинцового провода | 3*Пробки |
| Длина свинцового провода | Ротор: 300 мм; Статор: 300 мм |
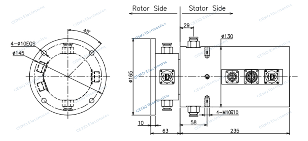
| Внешний диаметр | Ø130 мм |
| Установка | Установка фланца |
| Ротационные соединения | |
| Каналы | 1 канал * газ |
| Размер интерфейса | Ø12мм трубка (G 3/8) |
| Максимальное давление | 6.5 Бар |
Очертание контуры

Наша служба
1Ответ на запрос через 24 часа.
2Пожалуйста, пожалуйста, сообщите нам, какие предметы вы заинтересованы и разумная цена будет предоставлена вам по получении вашего нового запроса ASAP.
3Ответьте подробно.
4- Решил проблему с вами во время использования наших продуктов.
5Мы предложим вам образцы для нашего будущего сотрудничества.
Частые вопросы
1Что мы будем делать?
Мы специализируемся на разработке, проектировании, производстве высококачественных слайперских устройств и предлагаем различные решения для вращающихся систем.
2Как давно мы занимаемся этим бизнесом?
CENO основала бизнес с кольцами с 2009 года.
3Что такое кольцо?
Слифовальное кольцо - это электромеханическое устройство, которое позволяет передавать мощность и электрические сигналы от стационарной к вращающейся структуре.Слиповое кольцо может использоваться в любой электромеханической системе, которая требует вращения при передаче мощности или сигналовОн может улучшить механическую производительность, упростить работу системы и устранить повреждения проводов, висящих на подвижных соединениях.
4Как выбрать кольцо?
Правильный выбор раствора скользящего кольца требует подробной информации о параметрах работы вашего приложения, включая общий объем цепей, напряжение и амперы на цепь, скорость работы и тип установки.Хорошее место для начала поиска - наши стандартные кольца.Если вы уверены, что, скорее всего, требуется индивидуальное / модифицированное решение или вам нужна помощь в вашем выборе, свяжитесь с нами, чтобы начать.
5Вы предлагаете кольца на заказ?
Да, если вы уверены, что вам, скорее всего, необходимо пользовательское / модифицированное решение или вам нужна помощь в вашем выборе, свяжитесь с нами, чтобы начать.Наши инженеры придумают идеальное решение для ваших потребностей..
Почему с CENO
CENO является одной из технологических компаний в области скользящих колец, которая занимается исследованиями и разработками, производством и продажами.У нас есть современное оборудование и высокоточные испытательные приборы, чтобы обеспечить качество продукции и надежную производительностьОбъект площадью 3000 квадратных метров расположен в Шэньчжэне, Китай.

Сертификация
ISO9001, CE, RoHS, UL, взрывозащищенный

Преимущество CENO
Члены инженерной команды имеют более 10 лет опыта работы в области скольжения кольца. Операторы работают над критическими процедурами, все они квалифицированы на основе внутреннего обучения.
Услуга CENO
24 часа в сутки, 7 дней в неделю.
Массовое и индивидуальное производство.
Решение для системы вращения 360°.
Добро пожаловать, чтобы проконсультироваться с нами с вашими запросами для любой 360° системы вращения. Мы предоставим одностороннее обслуживание для вас своевременно ответить на ваши запросы.