Интегрированное кольцо выскальзывания с сигналом локальных сетей гигабита для системы автоматизации
ECN000-67S-01EG. кольцо выскальзывания локальных сетей с локальными сетями гигабита, RS485 и сигналом силы электрическим для промышленной автоматической системы от электроники CENO. Кольцо выскальзывания локальных сетей имеет характеры быстрого хода и стабильности, сильной надежности и широкого ряда применения. Смогите передать сигнал локальных сетей гигабита 1000M стабилизированно и никакое электромагнитное взаимодействие между течением и сигналом, не исполняет с требованиями к электромагнитной совместимости EMC. Для больше информации о том, как кольцо выскальзывания CENO может приспосабливать ваши спецификации, пожалуйста свяжитесь мы.
Особенности
Применения
Опционный
Спецификация
|
ECN000-67S-01EG. |
Спецификация |
| Течение & цепи | 47circuit*1A; 1circuit*PE; 1*RS485; circuits*signal 9; локальные сети 1circuits*Gigabit |
| Классифицируя напряжение тока |
0~50VAC/VDC |
| Диэлектрическая прочность | ≥ 300VAC@50Hz |
| Сопротивление изоляции | ≥100MΩ@300VDC |
| Контактное сопротивление | 70mΩ (50rpm) |
| Материал контакта | Золото к золоту |
| Расквартировывать материал | Алюминиевый сплав |
| Работая температура | -20°C~+60°C |
| Работая влажность | 60%RH |
| Ранг предохранения от IP | IP51 |
| Скорость обработки | 0~550rpm |
| Размер подводящего провода |
Провод AW24# одиночный Переплетенное 8-ядр AW24# защищало провод Переплетенное 2-ядр AW24# защищало провод CAT5e |
|
Длина подводящего провода |
Ротор: 3000mm Статор: 3000mm |
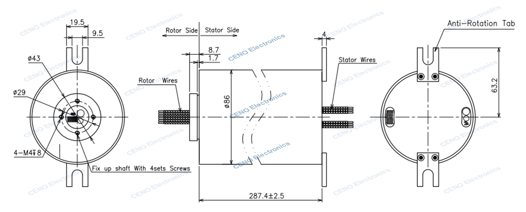
| Внешний диаметр | Ø86mm |
| Путь вращения | Плата Анти--вращения |
Чертеж плана

Наше обслуживание
1. Дознание ответа в 24 часах.
2. Пожалуйста добросердечно сообщить нас которые детали вы заинтересованы & умеренная цена будет обеспечена вам на получении вашего нового дознания КАК МОЖНО СКОРЕЕ.
3. Ответите ваш детализированный вопрос.
4. Разрешил проблему с вами во время использования наших продуктов.
5. Образцы будут предложены к вам для нашего будущего сотрудничества.
вопросы и ответы
1. Чего мы делаем?
Мы фокусируем на превращаться, sliprings конструировать, изготовлять высококачественные, и предлагаем различные решения для вращая систем.
2. Сколько времени мы в деле?
CENO установило дело колец выскальзывания с 2009. Мы имеем тысячи клиентов признавали наши продукты или обслуживания.
3. Что кольцо выскальзывания?
Кольцо выскальзывания электро-механический прибор который позволяет передаче силы и электрических сигналов от неподвижного к вращая структуре. Кольцо выскальзывания можно использовать в любой электро-механической системе которая требует вращения пока передающ силу или сигналы. Оно может улучшить механическое представление, упростить работу энергетической системы и исключить повреждени-прональные провода качая от передвижных соединений.
4. Как я выбираю кольцо выскальзывания?
Свойственный выбор решения кольца выскальзывания требует деталей о параметрах вашего применения работая включая полные цепи, напряжение тока и amps в цепь, скорость обработки, и тип установки. Прекрасное место для начала вашего поиска с нашими стандартными кольцами выскальзывания. Если вы уверены, то что изготовленному на заказ/доработанному решению наиболее вероятно необходимо или нужна помощь в вашем выборе, свяжитесь мы для того чтобы получить начатым.
5. Вы предлагаете изготовленные на заказ кольца выскальзывания?
Да, если вы уверены, то что изготовленному на заказ/доработанному решению наиболее вероятно необходимо или нужна помощь в вашем выборе, свяжитесь мы для того чтобы получить начатый. Наши инженеры придут вверх с идеальным решением для ваших потребностей.
Почему с CENO
CENO одна технологически компания в поле кольца выскальзывания которое включает научные исследования и разработки, производство и продажи. Мы выдвигали аппаратуры оборудования и теста высокой точности для обеспечения качеств продукции и надежного характеристики рабочого. Зона объекта покрывает 3000 квадратных метров и обнаруженная местонахождение в Шэньчжэне Китае.
Аттестация
ISO9001, CE, RoHS, UL, взрывозащищенный
Преимущество CENO
Член в проектировать команду имеет больше многолетний опыт чем 10 в поле кольца выскальзывания. Операторы работают на критической процедуре всем квалифицированы внутренней тренировкой.
Обслуживание CENO обеспечивает
24 часа, обслуживание консультанта 7days.
Массовая и подгонянная продукция.
Решение offerring для системы вращения 360°.
Добро пожаловать, который нужно посоветовать с нами с вашими запросами для любой системы вращения 360°. Мы снабдим одно обслуживание стопа вы своевременные отвечаем ваши дознания.