Экономически эффективное через отверстие проводящее скольжение кольцо с вращающимся электроприводом
ECN012-03P5 Электрические сдвижные кольца через отверстия в настоящее время являются наиболее экономически эффективными и наиболее продаваемыми сериями промышленных сдвижных колец.Большинство из них используются в ситуациях, когда непрерывное вращение на 360 градусов требует гарантированного питания и непрерывных сигналовЭто часто называют вращающимся силовым соединителем, электрическим вращающимся соединением или вращающимся соединителем цепи.вращающийся этап и новейшее оборудование для моделирования VR, и т. д. Для получения дополнительной информации о том, как скользящее кольцо CENO может соответствовать вашему заявлению, пожалуйста, свяжитесь с нами.
Особенности
Заявления
Необязательно
Спецификация
|
ECN012-03P5 |
Спецификация |
| Ток и схемы |
3 схемы * 30А |
| Номинальное напряжение | 0 ~ 220 VAC/VDC |
| Диэлектрическая прочность | ≥1000VAC@50Hz |
| Сопротивление изоляции | ≥ 500MΩ@500VDC |
| Контактное сопротивление | ≤ 30 мΩ (50 оборотов в минуту) |
| Рабочая температура | -20°C~+60°C |
| Рабочая влажность | 60% RH |
| Степень защиты ИС | IP51 |
| Операционная скорость | 0 ~ 300 оборотов в минуту |
| Контактный материал | Драгоценный металл |
| Материал для жилья | Сплав алюминия |
| Размер свинцового провода | AWG14# Тинопокрытый тефлон® UL |
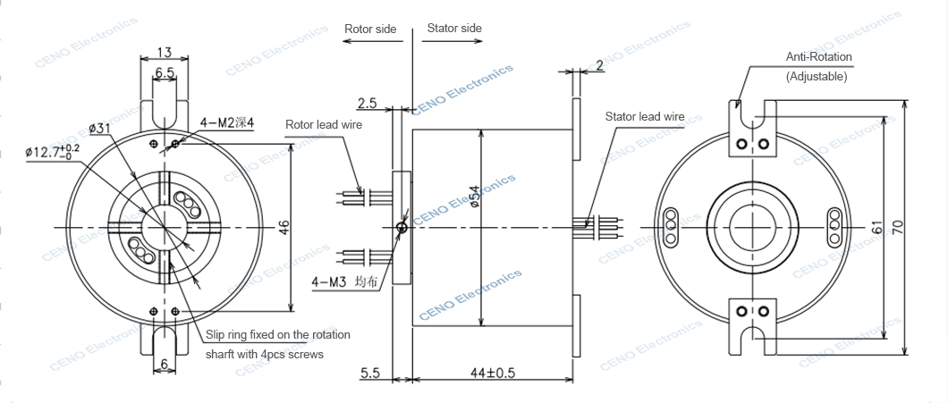
| Длина свинцового провода | Ротор: 1000 мм; Статор: 1000 мм |
| Внутренний диаметр | Ø12,7 мм |
| Способ установки | Статорная сторона фиксируется на главном вале с помощью винтов |
Очертание контуры

Дополнительная информация о прозрачном скользящем кольце
Введение стандарта CENO Through Hole Slip Ring, который предназначен для эффективной передачи электрической энергии со стороны статора на сторону ротора.это кольцо скольжения является надежным выбором для ваших потребностей в передаче энергииНаше кольцо имеет контактный материал из драгоценного металла, что обеспечивает долговечность и долговечность даже при частом использовании.
Операционная температура -20°C ~ +60°C, что позволяет бесшовную работу в различных условиях.У нас есть кольцо с внутренним диаметром Ø70 мм., с дополнительными параметрами, соответствующими вашим конкретным требованиям.
Эффективное, надежное и настраиваемое, наше стандартное кольцо для пропускания через отверстия является идеальным решением для ваших потребностей в передаче энергии.Свяжитесь с нами сегодня и позвольте нашей опытной команде помочь вам найти правильное решение для вашего заявления.
Услуга CENO
24 часа в сутки, 7 дней в неделю.
Массовое и индивидуальное производство.
Решение для системы вращения 360°.
Добро пожаловать, чтобы проконсультироваться с нами с вашими запросами для любой 360 ° системы вращения. Мы предоставим одностороннее обслуживание для вас своевременно ответить на ваши запросы.