Интегрированный Слип-Ринг с вращающимся пневматическим и силовым соединением и электрическим коллектором
QCN0201-08P1 - это новый интегрированный пневматический вращающийся союз CENO, который сочетает в себе 8 цепей электрического питания и 2 канала воздуха, которые применяются в различных средах, таких как лазерная гравировка,машины для заполненияУвеличение сложности современных автоматических машин требует сдвижных колец, обеспечивающих надежные электрические интерфейсы.пневматическое или гидравлическое вращающее соединение между неподвижными и вращающимися частями этого автоматического оборудования. Для получения дополнительной информации о том, как кольцо CENO может соответствовать вашим конкретным приложениям, пожалуйста, свяжитесь с нами.
Особенности
Заявления
Необязательно
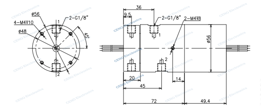
Спецификация
|
QCN0201-08P1 |
Спецификация |
| Ток и схемы | 8 схем*5А |
| Номинальное напряжение | 0 ~ 24 VAC/VDC |
| Диэлектрическая прочность | ≥ 300VAC@50Hz |
| Сопротивление изоляции | ≥ 100MΩ@300VDC |
| Диапазон волн контактного сопротивления | ≤ 30 мΩ (50 оборотов в минуту) |
| Контактный материал | Драгоценный металл |
| Материал для жилья | Сплав алюминия |
| Рабочая температура | -30°C~+80°C |
| Рабочая влажность | ≤ 60% RH |
| Степень защиты | IP51 |
| Операционная скорость | 0 ~ 30 оборотов в минуту |
| Размер свинцового провода | AWG22# Тинопокрытый тефлон ® UL |
| Длина свинцового провода | Ротор: 500 мм; Статор: 500 мм |
| Внешний диаметр | Ø56 мм |
| Установка | Сторона ротора закреплена фланцем; сторона статора закреплена винтами |
| Ротари-союз | |
| Каналы | 2 канала * воздух |
| Размер соединителя | G1/8 Ø8 мм трубка |
| Давление | -1,00KPa ~ 0,6 МПа |
| Рабочая скорость | 0 ~ 30 оборотов в минуту |
| Крутящий момент | ≤ 0,5 Н*м |
Очертание контуры

Примечание
Пневматическое вращающее соединение, электрический коллектор и интегрированное скользящее кольцо - это три ключевых компонента, которые произвели революцию в том, как мы передаем энергию и сигналы в сложных системах.Объединение этих технологий, инженеры создали универсальное и надежное решение для передачи как мощности, так и сигналов между неподвижными и вращающимися частями.
Пневматический вращающийся союз играет решающую роль в системах с давленным воздухом, обеспечивая непрерывное подачу воздуха в вращающееся оборудование, такое как пневматические цилиндры, вращающиеся столы и роботизированные руки.Используя вращающиеся уплотнители и высокоточные подшипники, пневматический вращающийся союз способен поддерживать плотное уплотнение даже в экстремальных условиях, таких как высокие скорости, высокое давление или низкие температуры.
В дополнение к пневматическому вращающемуся соединению, электрический коллектор обеспечивает надежное и эффективное средство передачи электрической энергии между стационарными и вращающимися компонентами.С помощью высококачественных электрических кистей и коммутаторов, электрический коллектор позволяет плавно и надежно передавать энергию через вращающиеся электрические интерфейсы.
Наконец, интегрированное скользящее кольцо служит важнейшим звеном между стационарными и вращающимися электрическими системами.передача широкого спектра сигналов - от сигналов управления низкого уровня до высокоскоростных данных и видеоИнтегрированное скользящее кольцо также обеспечивает важнейшее звено связи между различными компонентами системы, включая датчики, приводы и двигатели, для обеспечения плавной и эффективной работы.
Объединение всех трех компонентов, пневматического вращающегося соединения, электрического коллектора и интегрированного скользящего кольца обеспечивает универсальное решение для широкого спектра отраслей промышленности, включая производство,робототехникаС их высокой надежностью, точным проектированием и способностью работать в суровых условиях,Эти технологии являются неотъемлемой частью современной инженерии и производства.
Наша служба
1Ответ на запрос через 24 часа.
2Пожалуйста, пожалуйста, сообщите нам, какие предметы вы заинтересованы и разумная цена будет предоставлена вам по получении вашего нового запроса ASAP.
3Ответьте подробно.
4- Решил проблему с вами во время использования наших продуктов.
5Мы предложим вам образцы для нашего будущего сотрудничества.
Частые вопросы
1Что мы будем делать?
Мы специализируемся на разработке, проектировании, производстве высококачественных слайперских устройств и предлагаем различные решения для вращающихся систем.
2Как давно мы занимаемся этим бизнесом?
CENO основала бизнес с кольцами с 2009 года.
3Что такое кольцо?
Слифовальное кольцо - это электромеханическое устройство, которое позволяет передавать мощность и электрические сигналы от стационарной к вращающейся структуре.Слиповое кольцо может использоваться в любой электромеханической системе, которая требует вращения при передаче мощности или сигналовОн может улучшить механическую производительность, упростить работу системы и устранить повреждения проводов, висящих на подвижных соединениях.
4Как выбрать кольцо?
Правильный выбор раствора скользящего кольца требует подробной информации о параметрах работы вашего приложения, включая общий объем цепей, напряжение и амперы на цепь, скорость работы и тип установки.Хорошее место для начала поиска - наши стандартные кольца.Если вы уверены, что, скорее всего, требуется индивидуальное / модифицированное решение или вам нужна помощь в вашем выборе, свяжитесь с нами, чтобы начать.
5Вы предлагаете кольца на заказ?
Да, если вы уверены, что вам, скорее всего, необходимо пользовательское / модифицированное решение или вам нужна помощь в вашем выборе, свяжитесь с нами, чтобы начать.Наши инженеры придумают идеальное решение для ваших потребностей..
Почему с CENO
CENO является одной из технологических компаний в области скользящих колец, которая занимается исследованиями и разработками, производством и продажами.У нас есть современное оборудование и высокоточные испытательные приборы, чтобы обеспечить качество продукции и надежную производительностьОбъект площадью 3000 квадратных метров расположен в Шэньчжэне, Китай.

Сертификация
ISO9001, CE, RoHS, UL, взрывозащищенный

Преимущество CENO
Члены инженерной команды имеют более 10 лет опыта работы в области скольжения кольца. Операторы работают над критическими процедурами, все они квалифицированы на основе внутреннего обучения.
Услуга CENO
24 часа в сутки, 7 дней в неделю.
Массовое и индивидуальное производство.
Решение для системы вращения 360°.
Добро пожаловать, чтобы проконсультироваться с нами с вашими запросами для любой 360° системы вращения. Мы предоставим одностороннее обслуживание для вас своевременно ответить на ваши запросы.