Ethernet Signal Slip Ring с электрическим вращающимся отверстием для промышленности
ECN070-06P3-02EG - это новый продукт CENO Gigabit Ethernet Slip Ring, предназначенный для автоматических систем промышленности.Резкое увеличение современных современных автоматических машин и сельскохозяйственного оборудования привело к развитию скользящих колец в поддержку интегрированных технологийЭти системы передачи энергии/сигнала требуют огромного количества данных для передачи через вращающиеся оси, а также энергии и других сигналов.CENO всегда был на шаг впереди этих требованийБольше информации, пожалуйста, свяжитесь с нами.
Особенности
Заявления
Необязательно
Спецификация
|
ECN070-06P3-02EG |
Спецификация |
| Ток и схемы |
6 схем*15А (220В); 2 группы*1000M Ethernet |
| Номинальное напряжение | 0 ~ 220VAC/VDC |
| Диэлектрическая прочность |
≥1000VAC@50Hz ≥ 300VAC@50Hz |
| Сопротивление изоляции |
≥ 500MΩ@500VDC ≥ 100MΩ@100VDC |
| Электрический шум | 30 мΩ (50 оборотов в минуту) |
| Контактный материал | Драгоценный металл |
| Материал для жилья | Сплав алюминия |
| Рабочая температура | -20°C~+60°C |
| Рабочая влажность | 60 % RH |
| Степень защиты ИС | IP51 |
| Операционная скорость | 0 ~ 60 оборотов в минуту |
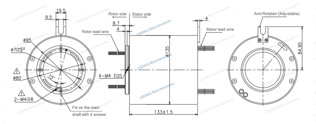
| Внутренний диаметр | Ø70 мм |
| Размер свинцового провода | AWG14# Тефлоновая проволока® UL |
| Длина свинцового провода | Ротор: 2000 мм; Статор: 2000 мм |
| Способ установки | Фиксировать сторону ротора на главном вале клиента с помощью винтов |
Очертание контуры

Наша служба
1Ответ на запрос через 24 часа.
2Пожалуйста, пожалуйста, сообщите нам, какие предметы вы заинтересованы и разумная цена будет предоставлена вам по получении вашего нового запроса ASAP.
3Ответьте подробно.
4- Решил проблему с вами во время использования наших продуктов.
5Мы предложим вам образцы для нашего будущего сотрудничества.
Частые вопросы
1Что мы будем делать?
Мы специализируемся на разработке, проектировании, производстве высококачественных слайперских устройств и предлагаем различные решения для вращающихся систем.
2Как давно мы занимаемся этим бизнесом?
CENO основала бизнес с кольцами с 2009 года.
3Что такое кольцо?
Слифовальное кольцо - это электромеханическое устройство, которое позволяет передавать мощность и электрические сигналы от стационарной к вращающейся структуре.Слиповое кольцо может использоваться в любой электромеханической системе, которая требует вращения при передаче мощности или сигналовОн может улучшить механическую производительность, упростить работу системы и устранить повреждения проводов, висящих на подвижных соединениях.
4Как выбрать кольцо?
Правильный выбор раствора скользящего кольца требует подробной информации о параметрах работы вашего приложения, включая общее количество схем, напряжение и амперы на схему, скорость работы и тип установки.Хорошее место для начала поиска - наши стандартные кольца.Если вы уверены, что, скорее всего, требуется индивидуальное / модифицированное решение или вам нужна помощь в вашем выборе, свяжитесь с нами, чтобы начать.
5Вы предлагаете кольца на заказ?
Да, если вы уверены, что вам, скорее всего, необходимо пользовательское / модифицированное решение или вам нужна помощь в выборе, свяжитесь с нами для начала.Наши инженеры придумают идеальное решение для ваших потребностей..
Почему с CENO
CENO является одной из технологических компаний в области скользящих колец, которая занимается исследованиями и разработками, производством и продажами.У нас есть современное оборудование и высокоточные испытательные приборы, чтобы обеспечить качество продукции и надежную производительностьОбъект площадью 3000 квадратных метров расположен в Шэньчжэне, Китай.
Сертификация
ISO9001, CE, RoHS, UL, взрывозащищенный
Преимущество CENO
Члены инженерной команды имеют более 10 лет опыта работы в области скольжения. Операторы работают над критическими процедурами, все они квалифицированы по внутренней подготовке.
Услуга CENO
24 часа в сутки, 7 дней в неделю.
Массовое и индивидуальное производство.
Решение для системы вращения 360°.
Добро пожаловать, чтобы проконсультироваться с нами с вашими запросами для любой 360 ° системы вращения. Мы предоставим одностороннее обслуживание для вас своевременно ответить на ваши запросы.