Локальные сети гигабита комбайна совместной силы полого вала роторные
Это через кольцо выскальзывания отверстия для применения имитатора движения, до размер 70mm отверстия, расквартировывая материал алюминиевый сплав, видеосигнал и сила гигабита совмещенная локальными сетями поставить в этом кольце выскальзывания. Кольцо выскальзывания можно использовать в любой электро-механической системе которая требует безудержного, непрерывного вращения пока переносящ силу и сигнал от неподвижного к вращая структуре.
Спецификация
| ECN070-26P-19S-02EG. | |
| Настоящий |
10*10A, 4*2A, 12*2A, 1*RS422,1*PE, 6*video сигнал, локальные сети 2*1000M |
| Напряжение тока | 0~220VAC/VDC |
| Электрический шум | ≤30mΩ (50rpm) |
| Диэлектрическая прочность |
≥ 1000V@50Hz (сила) ≥ 300V@50Hz (сигнал) |
| Сопротивление изоляции |
≥1000MΩ@500VDC (сила) ≥100MΩ@500VDC (сигнал) |
| Скорость обработки | 0-300 rpm |
| Материал контакта | драгоценные металлы |
| Рабочая температура | -20~+60℃ |
| Через размер скважины | 70mm |
| Ранг предохранения от IP | IP54 |
Особенности
Применения
Опционный
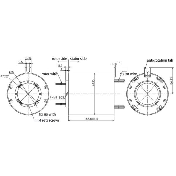
Чертеж плана

Почему с CENO
CENO одна технологически компания в поле кольца выскальзывания которое включает научные исследования и разработки, производство и продажи. Мы выдвигали аппаратуры оборудования и теста высокой точности для обеспечения качеств продукции и надежного характеристики рабочого. Зона объекта покрывает 3000 квадратных метров и обнаруженная местонахождение в Шэньчжэне Китае.

Аттестация
ISO9001, CE, RoHS, UL, взрывозащищенный

Преимущество CENO
Член в проектировать команду имеет больше многолетний опыт чем 10 в поле кольца выскальзывания. Операторы работают на критической процедуре всем квалифицированы внутренней тренировкой.
Обслуживание CENO обеспечивает
24 часа, обслуживание консультанта 7days.
Массовая и подгонянная продукция.
Решение offerring для системы вращения 360°.
Добро пожаловать, который нужно посоветовать с нами с вашими запросами для любой системы вращения 360°. Мы снабдим одно обслуживание стопа вы своевременные отвечаем ваши дознания.