соединение 80KPa 0.5MPa пневматическое роторное для пищевой промышленности
Пневматическое электрическое роторное соединение с 4 каналами воздуха, воздушным давлением -80KPa~0.5MPa, используемым для пищевой промышленности
Пневматический электрический роторный путь прохода поддержки 2-12 соединения пневматический/гидравлический, оно может совместить с силой, сигналом, локальной сетью, USB, сетью прибора, сетью контроля, Canbus по запросу. Он также смог быть установлен валом или опционной установкой фланца. Типы носителя прохода могут использовать воздух/газ, химикат, воду из крана, масло, воду. Типичное применение включая автоматическое оборудование, производство машинного оборудования, пищевая промышленность etc.
Особенности
Применения
Опционный
Спецификация
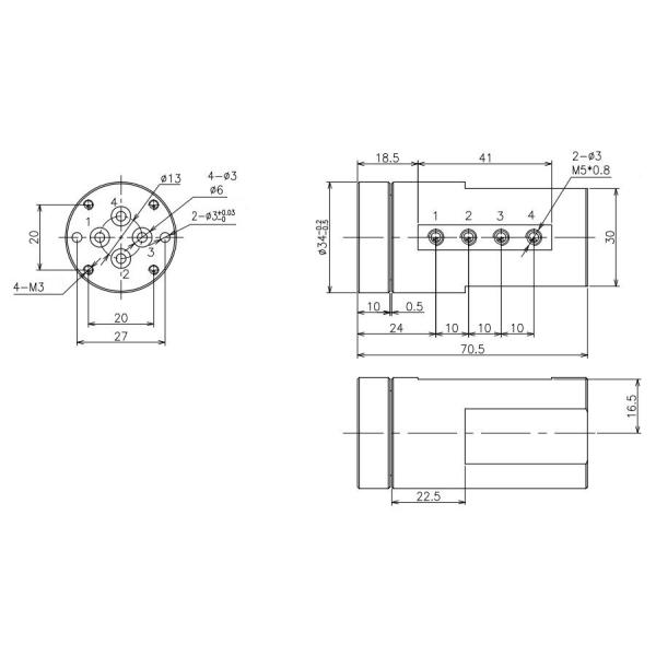
| QCN04M5 | |
| Канал воздуха | 4*air |
| Размер интерфейса | M5*0.8 |
| Размер отверстия для воздуха | 3 mm |
| Рабочая температура | -20C°~+60C° |
| Воздушное давление | -80KPa~0.5MPa |
| Расквартировывать материал | Алюминиевый сплав & нержавеющая сталь |
| Длина тела | 70,5 mm |
Чертеж плана

Наше обслуживание
1. Дознание ответа в 24 часах.
2. Пожалуйста добросердечно сообщить нас которые детали вы заинтересованы & умеренная цена будет обеспечена вам на получении вашего нового дознания КАК МОЖНО СКОРЕЕ.
3. Ответите ваш детализированный вопрос.
4. Разрешил проблему с вами во время использования наших продуктов.
5. Образцы будут предложены к вам для нашего будущего сотрудничества.
вопросы и ответы
1. Чего мы делаем?
Мы фокусируем на превращаться, sliprings конструировать, изготовлять высококачественные, и предлагаем различные решения для вращая систем.
2. Сколько времени мы в деле?
CENO установило дело колец выскальзывания с 2009. Мы имеем тысячи клиентов признавали наши продукты или обслуживания.
3. Что кольцо выскальзывания?
Кольцо выскальзывания электро-механический прибор который позволяет передаче силы и электрических сигналов от неподвижного к вращая структуре. Кольцо выскальзывания можно использовать в любой электро-механической системе которая требует вращения пока передающ силу или сигналы. Оно может улучшить механическое представление, упростить работу энергетической системы и исключить повреждени-прональные провода качая от передвижных соединений.
4. Как я выбираю кольцо выскальзывания?
Свойственный выбор решения кольца выскальзывания требует деталей о параметрах вашего применения работая включая полные цепи, напряжение тока и amps в цепь, скорость обработки, и тип установки. Прекрасное место для начала вашего поиска с нашими стандартными кольцами выскальзывания. Если вы уверены, то что изготовленному на заказ/доработанному решению наиболее вероятно необходимо или нужна помощь в вашем выборе, свяжитесь мы для того чтобы получить начатым.
5. Вы предлагаете изготовленные на заказ кольца выскальзывания?
Да, если вы уверены, то что изготовленному на заказ/доработанному решению наиболее вероятно необходимо или нужна помощь в вашем выборе, свяжитесь мы для того чтобы получить начатый. Наши инженеры придут вверх с идеальным решением для ваших потребностей.
Почему с CENO
CENO одна технологически компания в поле кольца выскальзывания которое включает научные исследования и разработки, производство и продажи. Мы выдвигали аппаратуры оборудования и теста высокой точности для обеспечения качеств продукции и надежного характеристики рабочого. Зона объекта покрывает 3000 квадратных метров и обнаруженная местонахождение в Шэньчжэне Китае.

Аттестация
ISO9001, CE, RoHS, UL, взрывозащищенный

Преимущество CENO
Член в проектировать команду имеет больше многолетний опыт чем 10 в поле кольца выскальзывания. Операторы работают на критической процедуре всем квалифицированы внутренней тренировкой.
Обслуживание CENO обеспечивает
24 часа, обслуживание консультанта 7days.
Массовая и подгонянная продукция.
Решение offerring для системы вращения 360°.
Добро пожаловать, который нужно посоветовать с нами с вашими запросами для любой системы вращения 360°. Мы снабдим одно обслуживание стопа вы своевременные отвечаем ваши дознания.