Кольцо выскальзывания анти- взрыва проводное со стандартами Exd II BT4 Gb IP68
кольцо выскальзывания Анти--взрыва со стандартами Exd II BT4 Gb IP68,15 звенит 50A, напряжение тока 380VAC/VDC, используемое для взрывно materail.
Взрывозащищенное кольцо выскальзывания вызвано как взрывозащищенное проводное кольцо выскальзывания, взрывозащищенное вращающееся контактное устройство, взрывозащищенное собирая кольцо или жароустойчивые кольцо выскальзывания, etc. Вид проводного кольца выскальзывания с сильно надежной безопасностью, под работой легкой взрывно окружающей среды как пыль environment.ECN042-EX-15P-IP68 нефти, химическая/взрывно для того чтобы исполнить с взрывозащищенным размером скважины 42mm Exd II BT4 Gb IP68.with стандартов внутренним. Работа диапазона температур от -30℃ | +80℃, передают 15 колец 50A скорости 0~50rpm силы .working, frange 0~380VAC/VDC напряжения тока. Главная программа включая нефтяную платформу, морскую платформу, химическое оборудование, взрывчатое вещество, упаковывая equipment.CENO конструирует взрывозащищенное основание кольца выскальзывания на различной рабочей Среде. Все особенные требования пожалуйста чувствуют контакт с нами, мы обеспечат вас с самыми лучшими решениями.
Спецификация
| ECN042-EX-15P-IP68 | Спецификация |
| Цепи & течение | 15*50A |
| Напряжение тока | 0~380VAC/VDC |
| Диэлектрическая прочность | ≥ 1500V@50Hz |
| Сопротивление изоляции | ≥500MΩ@100VDC |
| Работая температура | -30℃ | +80℃ |
| Скорость обработки | 0-50 rpm |
| Материал контакта | Драгоценный металл |
| Расквартировывать материал | Алюминиевый сплав + нержавеющая сталь |
| Взрывозащищенная ранг | Exd II BT4 Gb IP68 |
| Ранг IP | IP68 |
| Внутренний размер отверстия | 42 mm |
Особенности
Применения
Опционный
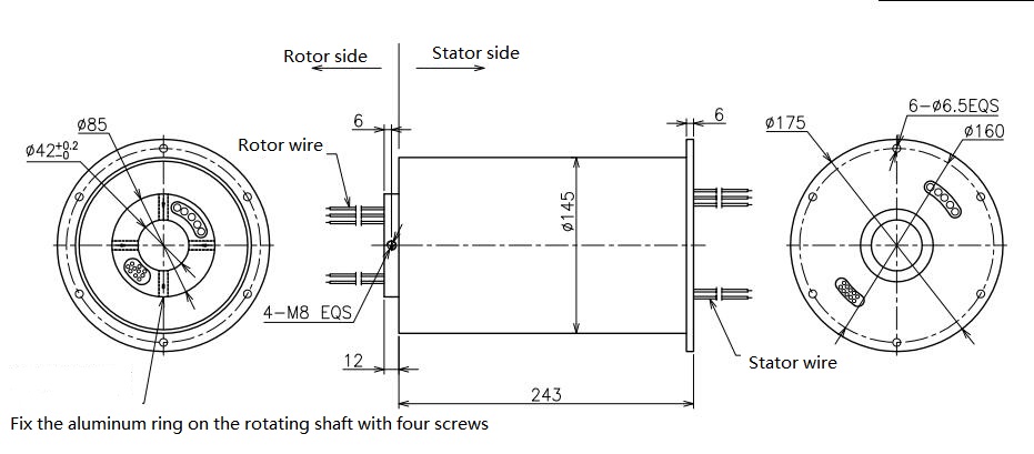
Чертеж плана

Почему с CENO
CENO одна технологически компания в поле кольца выскальзывания которое включает научные исследования и разработки, производство и продажи. Мы выдвигали аппаратуры оборудования и теста высокой точности для обеспечения качеств продукции и надежного характеристики рабочого. Зона объекта покрывает 3000 квадратных метров и обнаруженная местонахождение в Шэньчжэне Китае.

Аттестация
ISO9001, CE, RoHS, UL, взрывозащищенный

Преимущество CENO
Член в проектировать команду имеет больше многолетний опыт чем 10 в поле кольца выскальзывания. Операторы работают на критической процедуре всем квалифицированы внутренней тренировкой.
Обслуживание CENO обеспечивает
24 часа, обслуживание консультанта 7days.
Массовая и подгонянная продукция.
Решение offerring для системы вращения 360°.
Добро пожаловать, который нужно посоветовать с нами с вашими запросами для любой системы вращения 360°. Мы снабдим одно обслуживание стопа вы своевременные отвечаем ваши дознания.