Соединение Multi локальных сетей канала 48VDC 24VDC RS485 роторное
кольцо выскальзывания Мульти-канала интегрировать с силой, RS485 и локальными сетями. Контакты драгоценного металла, используемые для медицинской машины.
Это кольцо выскальзывания мульти-канала интегрировать с силой, 2 каналами RS485 и 3 каналами локальных сетей 100M. Привяжите длину 1000mm на обеих сторонах. Кольцо выскальзывания конструировано исключительно для передачи локальных сетей. Кроме того, оно может интегрировать сигнал, силу и частоту коротковолнового диапазона в один блок понизить высоту и сохранить космос установки. Лож одного больше пункта в своих высокой вращая точности, надежном представлении, длинном сроке службы и опционном течении. Все были аттестованы технологией патента. Типичное применение включая медицинскую машину, военную индустрию и оффшорное оборудование.
Спецификация
| ECN025-28P1-08S-03EM | Спецификация |
| Цепи |
22*5A, 2*PE, 4*5A 2*RS485,3*100MEthernet |
| Напряжение тока | 220VAC/48VDC/24VDC |
| Электрический шум | ≤30mΩ (50rpm) |
| Диэлектрическая прочность |
≥ 1000V@50Hz (сила) ≥ 300V@50Hz (сигнал) |
| Сопротивление изоляции |
≥500MΩ@500VDC (сила) ≥100MΩ@300VDC (сигнал) |
| Скорость обработки | 0-300 rpm |
| Материал контакта | Драгоценный металл |
| Расквартировывать материал | Алюминиевый сплав |
| Ранг предохранения от IP | IP51 |
| Через размер отверстия | 25,4 mm |
Особенности
Применения
Опционный
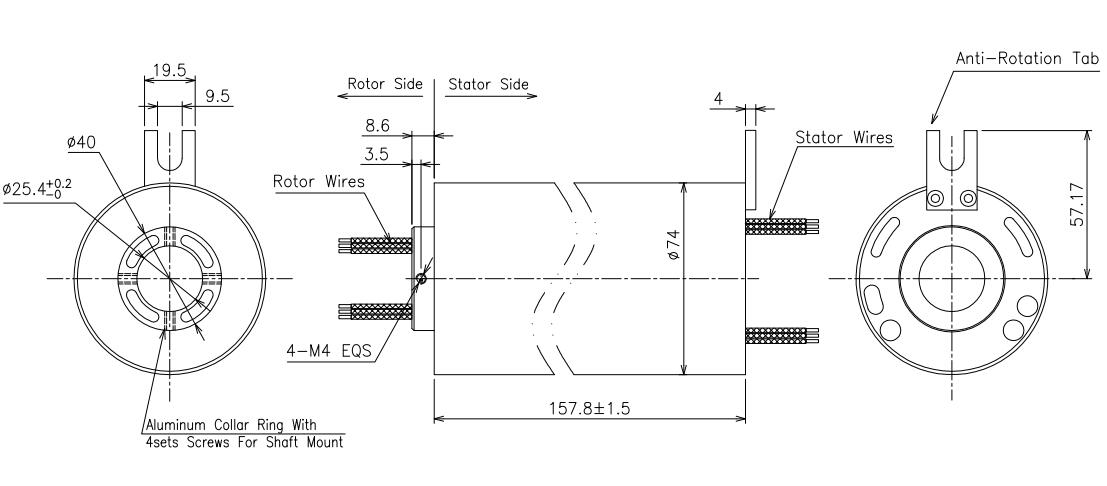
Чертеж плана

Почему с CENO
CENO одна технологически компания в поле кольца выскальзывания которое включает научные исследования и разработки, производство и продажи. Мы выдвигали аппаратуры оборудования и теста высокой точности для обеспечения качеств продукции и надежного характеристики рабочого. Зона объекта покрывает 3000 квадратных метров и обнаруженная местонахождение в Шэньчжэне Китае.

Аттестация
ISO9001, CE, RoHS, UL, взрывозащищенный

Преимущество CENO
Член в проектировать команду имеет больше многолетний опыт чем 10 в поле кольца выскальзывания. Операторы работают на критической процедуре всем квалифицированы внутренней тренировкой.
Обслуживание CENO обеспечивает
24 часа, обслуживание консультанта 7days.
Массовая и подгонянная продукция.
Решение offerring для системы вращения 360°.
Добро пожаловать, который нужно посоветовать с нами с вашими запросами для любой системы вращения 360°. Мы снабдим одно обслуживание стопа вы своевременные отвечаем ваши дознания.