совместное локальных сетей 300rpm 38.1mm роторное для аппаратур измерения
3 группы в составе кольцо выскальзывания локальных сетей со скважиной 38.1mm внутренней, алюминиевым снабжением жилищем, используемым для аппаратур измерения, медицинское mahine.
Кольцо выскальзывания конструировано для использования передать силу, сигнал или данные, пневматически или гидравлически от неподвижного вращая платформе. Его также можно определить к что-то которое делает повторный заход на посадку цапфа как воротник который имеет 2 порта на ем, внутренний порт поворачивает независимого внешний одного, так, что будет возможно прикрепить мотор или датчик на вращая платформе без замотки провода. ECN038-04P2-03EM с компактным размером, стабилизированным представлением электрических и сигнала, низким трением и вращающим моментом, более толстой драгоценной металлической пластиной, более длинной жизнью. Может быть примениться для автоматических машин которые требуют вращая передачи электрической/сигнала/газа/жидкости, для того чтобы разрешить проблемы провода обматывая. Мы можем сделать подгонянное кольцо выскальзывания к вращая передаче RS485/232/422, CANBUS, Profibus, CC-связи, USB2.0, локальной сети etc гигабита.
Спецификация
| ECN038-04P2-03EM | Спецификация |
| Цепи & течение | 4*10A, локальные сети 3*100M, 1*PE |
| Напряжение тока | 0~380VAC/VDC |
| Диэлектрическая прочность | ≥ 1000V@50Hz (сила) ≥ 300V@50Hz (сигнал) |
| Сопротивление изоляции | ≥500MΩ@500VDC (сила) ≥100MΩ@100VDC (сигнал) |
| Скорость обработки | 0-300 rpm |
| Материал контакта | Драгоценный металл |
| Расквартировывать материал | Алюминиевый сплав |
| Ранг предохранения от IP | IP54 |
| Через размер отверстия | 38,1 mm |
| Работая температура | -20°C | +60°C |
| Длина кабеля | 5000mm/3000mm |
Особенности
Применения
Опционный
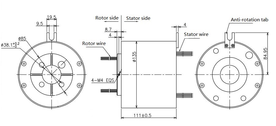
Чертеж плана
Почему с CENO
CENO одна технологически компания в поле кольца выскальзывания которое включает научные исследования и разработки, производство и продажи. Мы выдвигали аппаратуры оборудования и теста высокой точности для обеспечения качеств продукции и надежного характеристики рабочого. Зона объекта покрывает 3000 квадратных метров и обнаруженная местонахождение в Шэньчжэне Китае.
Аттестация
ISO9001, CE, RoHS, UL, взрывозащищенный
Преимущество CENO
Член в проектировать команду имеет больше многолетний опыт чем 10 в поле кольца выскальзывания. Операторы работают на критической процедуре всем квалифицированы внутренней тренировкой.
Обслуживание CENO обеспечивает
24 часа, обслуживание консультанта 7days.
Массовая и подгонянная продукция.
Решение offerring для системы вращения 360°.
Добро пожаловать, который нужно посоветовать с нами с вашими запросами для любой системы вращения 360°. Мы снабдим одно обслуживание стопа вы своевременные отвечаем ваши дознания.