Multi золото канала контактирует промышленное кольцо выскальзывания IP54 для роторной таблицы
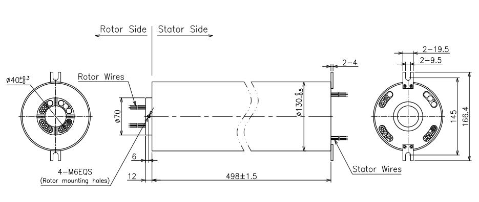
CENO было посвящено к обеспечивать высококачественные решения и блоки для различных полей умной автоматизации. ECN040-148P экономическое кольцо выскальзывания через-отверстия для разнообразие сигналов и настоящая смешанная передача, оно имеет полностью 148 колец. Снабжение жилищем с контактами золота, оно алюминиевого сплава имеет более стабилизированное время передачи, высокой эффективности и более длинной жизни чем нормальный. Внутренний размер отверстия можно подгонять, оно может достигнуть до 980mm, ранг предохранения от IP может быть IP65, IP66, IP67, IP68. Мы можем обеспечить вас с профессиональными решениями дизайна согласно числу проводов, течения, напряжения тока, типа сигнала, длины провода, размера установки, скорости вращения, работая температуры, уровня защиты, etc., в ваше необходимое.
Спецификация
| ECN040-148P | Спецификация |
| Цепи & течение | 21*30A, 5*10A, 22*5A, 100*2A |
| Напряжение тока | 0-700 VAC/VDC |
| Диэлектрическая прочность | ≥ 1500V@50Hz |
| Сопротивление изоляции | ≥500MΩ@500VDC |
| Скорость обработки | 0-150 rpm |
| Материал контакта | Золото-золото |
| Расквартировывать материал | Алюминиевый сплав |
| Ранг предохранения от IP | IP54 |
| Через размер отверстия | 40 mm |
| Работая температура | -20°C | +60°C |
Особенности
Применения
Опционный
Длина провода
Чертеж плана

Наше обслуживание
1. Дознание ответа в 24 часах.
2. Пожалуйста добросердечно сообщить нас которые детали вы заинтересованы & умеренная цена будет обеспечена вам на получении вашего нового дознания КАК МОЖНО СКОРЕЕ.
3. Ответите ваш детализированный вопрос.
4. Разрешил проблему с вами во время использования наших продуктов.
5. Образцы будут предложены к вам для нашего будущего сотрудничества.
вопросы и ответы
1. Чего мы делаем?
Мы фокусируем на превращаться, sliprings конструировать, изготовлять высококачественные, и предлагаем различные решения для вращая систем.
2. Сколько времени мы в деле?
CENO установило дело колец выскальзывания с 2009. Мы имеем тысячи клиентов признавали наши продукты или обслуживания.
3. Что кольцо выскальзывания?
Кольцо выскальзывания электро-механический прибор который позволяет передаче силы и электрических сигналов от неподвижного к вращая структуре. Кольцо выскальзывания можно использовать в любой электро-механической системе которая требует вращения пока передающ силу или сигналы. Оно может улучшить механическое представление, упростить работу энергетической системы и исключить повреждени-прональные провода качая от передвижных соединений.
4. Как я выбираю кольцо выскальзывания?
Свойственный выбор решения кольца выскальзывания требует деталей о параметрах вашего применения работая включая полные цепи, напряжение тока и amps в цепь, скорость обработки, и тип установки. Прекрасное место для начала вашего поиска с нашими стандартными кольцами выскальзывания. Если вы уверены, то что изготовленному на заказ/доработанному решению наиболее вероятно необходимо или нужна помощь в вашем выборе, свяжитесь мы для того чтобы получить начатым.
5. Вы предлагаете изготовленные на заказ кольца выскальзывания?
Да, если вы уверены, то что изготовленному на заказ/доработанному решению наиболее вероятно необходимо или нужна помощь в вашем выборе, свяжитесь мы для того чтобы получить начатый. Наши инженеры придут вверх с идеальным решением для ваших потребностей.
Почему с CENO
CENO одна технологически компания в поле кольца выскальзывания которое включает научные исследования и разработки, производство и продажи. Мы выдвигали аппаратуры оборудования и теста высокой точности для обеспечения качеств продукции и надежного характеристики рабочого. Зона объекта покрывает 3000 квадратных метров и обнаруженная местонахождение в Шэньчжэне Китае.

Аттестация
ISO9001, CE, RoHS, UL, взрывозащищенный

Преимущество CENO
Член в проектировать команду имеет больше многолетний опыт чем 10 в поле кольца выскальзывания. Операторы работают на критической процедуре всем квалифицированы внутренней тренировкой.

Обслуживание CENO обеспечивает
24 часа, обслуживание консультанта 7days.
Массовая и подгонянная продукция.
Решение offerring для системы вращения 360°.
Добро пожаловать, который нужно посоветовать с нами с вашими запросами для любой системы вращения 360°. Мы снабдим одно обслуживание стопа вы своевременные отвечаем ваши дознания.