совместное полого вала локальных сетей гигабита 25.4mm роторное для имитатора движения
Соединение полого вала локальных сетей гигабита роторное со скважиной 25.4mm, алюминиевым снабжением жилищем используемым для имитатора движения, системы радиолокатора
Это кольцо выскальзывания полого вала, семья серии ECN через кольца выскальзывания скважины, с центральным отверстием 25.4mm, конструированным и изготовленным CENO с запатентованной технологией. Кольца выскальзывания серии ECN имеют характеристики контакта драгоценного металла и длинного срока службы до 230 миллионов повороты. Furthermore, они водоустойчива, давлени-защитна, и вибрации устойчива. Сквозную скважину можно использовать для того чтобы установить кольцо выскальзывания на кронштейне или использовать для направлять гидравлические пневматические проходы по мере того как она может интегрировать пневматические гидравлические роторные соединения, высокочастотные роторные соединения и соединения оптического волокна роторные для того чтобы соотвествовать более технические.
Спецификация
| ECN025-06P2-06S-01EG. | Спецификация |
| Цепи | 6*10A, 6*signal, локальные сети 1*Gigabit |
| Напряжение тока | 0~380VAC/VDC |
| Электрический шум | ≤30mΩ (50rpm) |
| Диэлектрическая прочность |
≥ 1000V@50Hz (сила) ≥ 500V@50Hz (сигнал) |
| Сопротивление изоляции |
≥500MΩ@500VDC (сила) ≥100MΩ@100VDC (сигнал) |
| Скорость обработки | 0-300 rpm |
| Материал контакта | Драгоценный металл |
| Расквартировывать материал | Алюминиевый сплав |
| Ранг предохранения от IP | IP54 |
| Через размер отверстия | 25.4mm |
Особенности
Применения
Опционный
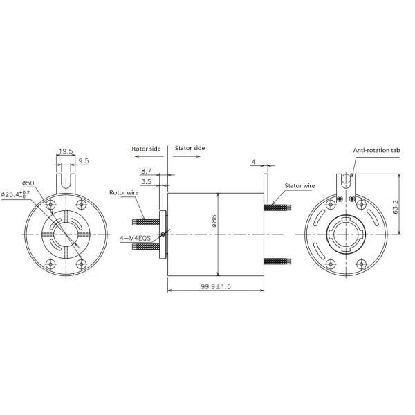
Чертеж плана

Почему с CENO
CENO одна технологически компания в поле кольца выскальзывания которое включает научные исследования и разработки, производство и продажи. Мы выдвигали аппаратуры оборудования и теста высокой точности для обеспечения качеств продукции и надежного характеристики рабочого. Зона объекта покрывает 3000 квадратных метров и обнаруженная местонахождение в Шэньчжэне Китае.

Аттестация
ISO9001, CE, RoHS, UL, взрывозащищенный

Преимущество CENO
Член в проектировать команду имеет больше многолетний опыт чем 10 в поле кольца выскальзывания. Операторы работают на критической процедуре всем квалифицированы внутренней тренировкой.
Обслуживание CENO обеспечивает
24 часа, обслуживание консультанта 7days.
Массовая и подгонянная продукция.
Решение offerring для системы вращения 360°.
Добро пожаловать, который нужно посоветовать с нами с вашими запросами для любой системы вращения 360°. Мы снабдим одно обслуживание стопа вы своевременные отвечаем ваши дознания.