Сопротивление изоляции 500МΩ@500ВДК кольца выскальзывания локальных сетей стандарта 1000М
Кольцо выскальзывания с сигналом локальных сетей широко использовано в оборудовании автоматизации, ем может совместить различное
сигнал и сила для стабилизированной передачи, никаких перекрестных помех, малопотертых, его также можно обеспечить с соединителем РДЖ45 для соединения с видео передачи ХД, высокоскоростным цифровым сигналом.
КЭНО начинало кольцо выскальзывания сигнала с основанием характера сигнала локальных сетей гигабита на требовании рынка. Кольцо выскальзывания локальных сетей исполняет с совместимостью ЭМК и соотвествует соответствовать импеданса сигнала, убеждаться передача малопотертая, никакой код ошибки, передача на большое расстояние. Дальность передачи кольца выскальзывания локальных сетей КЭНО смогла до 1000Мбпс, или над этой скоростью. Она смогла интегрировать другие течение и сигнал в одно кольцо выскальзывания для различного требования к клиента.
Особенности
Применения
Опционный
Спецификация
| ЭКН000-02ЭГ. Спецификация | Изображение | |
| Настоящий | 2 локальной сети гроуп*1000М | ![]() |
| Напряжение тока оценки | 380ВАК | |
| Диэлектрическая прочность | ≥ 1000VAC@50Hz | |
| Сопротивление изоляции | 500МΩ@500ВДК | |
| Электрический шум | ≤70мΩ | |
| Работая температура | -20℃~+60℃ | |
| Работая скорость | 0~300рпм | |
| Материал контакта | Драгоценный металл | |
| Материал снабжения жилищем | Чернота оксидации сандбластинг алюминиевого сплава | |
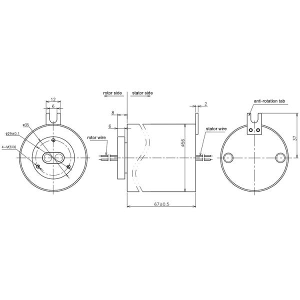
Чертеж плана

Почему с КЭНО
КЭНО одна технологически компания в поле кольца выскальзывания которое включает научные исследования и разработки, производство и продажи. Мы выдвигали аппаратуры оборудования и теста высокой точности для обеспечения качества продукции и надежного характеристики рабочого. Зона объекта покрывает 3000 квадратных метров и обнаруженная местонахождение в Шэньчжэне Китае.

Аттестация
ИСО9001, КЭ, РоХС, УЛ, взрывозащищенный

Преимущество КЭНО
Член в команде инженерства имеет больше многолетний опыт чем 10 в поле кольца выскальзывания. Операторы работают на критической процедуре всем квалифицированы внутренней тренировкой.
Обслуживание КЭНО обеспечивает
24 часа, обслуживание консультанта 7дайс.
Массовая и подгонянная продукция.
Решение офферринг для системы вращения 360°.
Добро пожаловать, который нужно посоветовать с нами с вашими запросами для любой системы вращения 360°. Мы снабдим одно обслуживание стопа вы своевременные отвечаем ваши дознания.