Прямоугольное высокоскоростное роторное соединение интегрирует настоящие локальные сети и воздух
QCN0102-06P1-02EM интегрированное роторное кольцо выскальзывания соединения, которое конструировано CENO для оборудования батареи лития для того чтобы пройти воздух и силу. Это роторное соединение имеет один канал воздуха с интерфейсом прям-через, размер интерфейса G1/4 и размер трубы Ø 10 mm. Также, как 6 PE 5A, 1circuit цепей и 2 группы в составе сигналы локальных сетей 100M в этом соединении. Своя вращая скорость на 0~250RPM под работая температурой - ℃ 40 | + ℃ 80 со своей характеристикой стабилизированной передачи сигнала, отсутствие взаимодействия, отсутствие ошибки.
Особенности
Применения
Опционный
Спецификация
| Спецификация QCN0102-06P1-02EM | Изображение | |
| Настоящий | 6*5A, 1*PE, сигнал локальных сетей 2*100M | ![]() |
| Напряжение тока | 0~380VAC/VDC | |
| Сопротивление изоляции | ≥500MΩ@500VDC (настоящее) ≥100MΩ@100VDC (сигнал) | |
| Диэлектрическая прочность | ≥ 1500V@50hz (течение) ≥500 V@50hz (сигнал) | |
| Зыбкость сопротивления | 10mΩ (with50rpm) | |
| Скорость обработки | 0~250rpm | |
| Материал контакта | Драгоценные металлы | |
| Рабочая температура | -40℃~+80℃ | |
| Ранг предохранения от IP | IP51 | |
| Номер канала | воздух 1* | |
| Размер соединителя | G1/4 | |
| Максимальное давление | 0.6MPa | |
| Размер трубы | Ø10mm | |
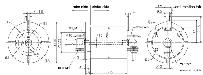
Чертеж плана

Почему с CENO
CENO одна технологически компания в поле кольца выскальзывания которое включает научные исследования и разработки, производство и продажи. Мы выдвигали аппаратуры оборудования и теста высокой точности для обеспечения качеств продукции и надежного характеристики рабочого. Зона объекта покрывает 3000 квадратных метров и обнаруженная местонахождение в Шэньчжэне Китае.

Аттестация
ISO9001, CE, RoHS, UL, взрывозащищенный

Преимущество CENO
Член в проектировать команду имеет больше многолетний опыт чем 10 в поле кольца выскальзывания. Операторы работают на критической процедуре всем квалифицированы внутренней тренировкой.
Обслуживание CENO обеспечивает
24 часа, обслуживание консультанта 7days.
Массовая и подгонянная продукция.
Решение offerring для системы вращения 360°.
Добро пожаловать, который нужно посоветовать с нами с вашими запросами для любой системы вращения 360°. Мы снабдим одно обслуживание стопа вы своевременные отвечаем ваши дознания.