6 течение группы 1Амп небольшое но большое кольцо выскальзывания размера для продтовара обрабатывая машинное оборудование
Большое выскальзывани-кольцо размера названо для свое крупноразмерного. Оно получает большим через размер отверстия и высокий уровень защиты, вообще использован в более больших оборудовании и системах. Систему можно приспосабливать сразу к центру вращения, для того чтобы разрешить проблему передачи течения и сигнала. Этот вид крупноразмерного кольца выскальзывания с высокой рангом защиты широко использован в очистке сточных вод, большом материальном оборудовании передачи и других системах.
мы можем таможня сделать различное кольцо выскальзывания как спрошено!
Применение
Особенности
Вариант
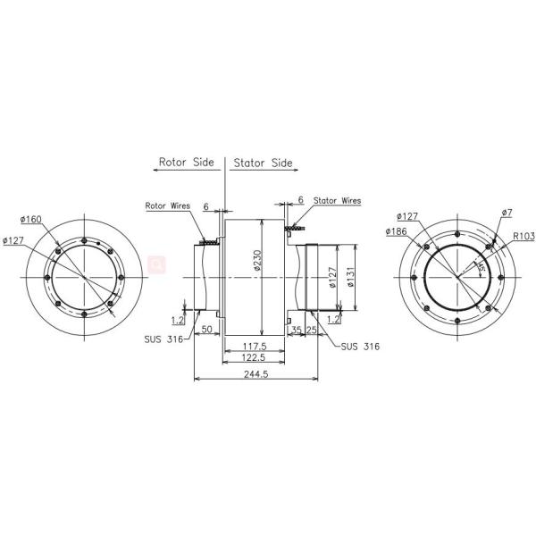
Спецификация
| Параметр | |||
| Цепь | 6*1А, | Ранг защиты | ИП65 |
| Напряжение тока | 220ВАК | Температура | -20℃~+60℃ |
| Сопротивление изоляции | ≥300МΩ@500ВДК | Влажность | 60%РХ |
| Диэлектрическая прочность | ≥ 500VAC@50Hz | Вращая скорость | 0~10рпм |
| Диаметр | Ф127мм | Материал контакта | Драгоценный металл |
Чертеж плана

Почему с КЭНО
КЭНО одна технологически компания в поле кольца выскальзывания которое включает научные исследования и разработки, производство и продажи. Мы выдвигали аппаратуры оборудования и теста высокой точности для обеспечения качества продукции и надежного характеристики рабочого. Зона объекта покрывает 3000 квадратных метров и обнаруженная местонахождение в Шэньчжэне Китае.

Аттестация
ИСО9001, КЭ, РоХС, УЛ, взрывозащищенный

Преимущество КЭНО
Член в команде инженерства имеет больше многолетний опыт чем 10 в поле кольца выскальзывания. Операторы работают на критической процедуре всем квалифицированы внутренней тренировкой.

Обслуживание КЭНО обеспечивает
24 часа, обслуживание консультанта 7дайс.
Массовая и подгонянная продукция.
Решение офферринг для системы вращения 360°.
Добро пожаловать, который нужно посоветовать с нами с вашими запросами для любой системы вращения 360°. Мы снабдим одно обслуживание стопа вы своевременные отвечаем ваши дознания.