Кольцо выскальзывания Profi-автобуса диаметра отверстия 38mm с материалом металла Precisou сигнала RS
Пол-автобус открытое, полно цифровой, двухсторонний, система коммуникаций мульти-станции, которая была развита быстро в недавно летах. И он iswidely приложил в коммуникационной сети поля умным соединенной оборудованием, как автоматизация, автоматизация процесса, электрическая автоматизация, автоматизация здания, etc. он служит за основа для сети связи цифровой фабрики с эффективным сообщением между оборудованием и оборудованием, и между оборудованием и более высокой системой управления. Направляющ на различные прикладные требования Fieldbus, как КОНСЕРВНАЯ БАНКА, Profibus и локальная сеть поля, CENO начатый различный вид кольца выскальзывания для того чтобы соотвествовать родственный.
Особенности
Вариант
Применение
Спецификация
| Параметр | |||
| Цепь | 15*10 a, сигнал 1*485 | Ранг защиты | IP54 |
| Напряжение тока | 380VAC/VDC | Температура | -20°C~+60°C |
| Сопротивление изоляции | 100MΩ@300VDC | Вращая скорость | 0~300rpm |
| Диэлектрическая прочность | V@50hz 1000 (настоящее) 300 V@50hz (сигнал) | Материал контакта | Драгоценный |
| Вращающий момент трением | ≤0.15N*m | Расквартировывать материал | Чернота оксидации алюминиевого сплава |
| Диаметр отверстия | Ø38 | Электрический шум | ≤70mΩ |
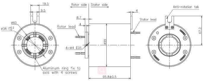
Чертеж плана

Почему с CENO
CENO одна технологически компания в поле кольца выскальзывания которое включает научные исследования и разработки, производство и продажи. Мы выдвигали аппаратуры оборудования и теста высокой точности для обеспечения качеств продукции и надежного характеристики рабочого. Зона объекта покрывает 3000 квадратных метров и обнаруженная местонахождение в Шэньчжэне Китае.

Аттестация
ISO9001, CE, RoHS, UL, взрывозащищенный

Преимущество CENO
Член в проектировать команду имеет больше многолетний опыт чем 10 в поле кольца выскальзывания. Операторы работают на критической процедуре всем квалифицированы внутренней тренировкой.

Обслуживание CENO обеспечивает
24 часа, обслуживание консультанта 7days.
Массовая и подгонянная продукция.
Решение offerring для системы вращения 360°.
Добро пожаловать, который нужно посоветовать с нами с вашими запросами для любой системы вращения 360°. Мы снабдим одно обслуживание стопа вы своевременные отвечаем ваши дознания.