Большое кольцо выскальзывания размера с автомобильным проводом широко было использовано для очистки сточных вод
Компания CENO производит промышленное проводное кольцо выскальзывания с большим размером и высокой надежностью,
уровень безуходных и защиты может достигнуть IP68.
Большое выскальзывани-кольцо размера названо для свое крупноразмерного. Оно получает большой сквозной размер отверстия и высокий уровень защиты, вообще использован в более больших оборудовании и системах. Систему можно приспосабливать сразу к центру вращения, для того чтобы разрешить проблему передачи течения и сигнала. Этот вид крупноразмерного кольца выскальзывания с высокой рангом защиты широко использован в очистке сточных вод, большом материальном оборудовании передачи и других системах.
Особенности
Применение
 Вариант
Спецификация
| ECN120-04P1 Параметр | |||
| Цепь | 4*5A | Ранг защиты | IP65 | 
| Напряжение тока | 380VAC | Температура | -20℃~+80℃ | 
| Сопротивление изоляции | 500MΩ@500VDC | Влажность | ≤90%RH | 
| Диэлектрик Прочность | ≥ 1000VAC@50Hz | Вращая скорость | 0~250rpm | 
| Зыбкость сопротивления | ≤70mΩ (50rpm) | Материал контакта | Драгоценный металл | 
| Диаметр | Ø120 | Спецификации провода | Провод FLRY-B автомобильный (² 0.75mm) | 
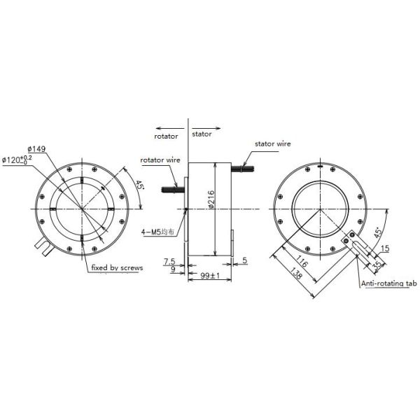
Чертеж плана

Почему с CENO
CENO одна технологически компания в поле кольца выскальзывания которое включает научные исследования и разработки, производство и продажи. Мы выдвигали аппаратуры оборудования и теста высокой точности для обеспечения качеств продукции и надежного характеристики рабочого. Зона объекта покрывает 3000 квадратных метров и обнаруженная местонахождение в Шэньчжэне Китае.

Аттестация
ISO9001, CE, RoHS, UL, взрывозащищенный

Преимущество CENO
Член в проектировать команду имеет больше многолетний опыт чем 10 в поле кольца выскальзывания. Операторы работают на критической процедуре всем квалифицированы внутренней тренировкой.

Обслуживание CENO обеспечивает
24 часа, обслуживание консультанта 7days.
Массовая и подгонянная продукция.
Решение offerring для системы вращения 360°.
Добро пожаловать, который нужно посоветовать с нами с вашими запросами для любой системы вращения 360°. Мы снабдим одно обслуживание стопа вы своевременные отвечаем ваши дознания.